top 10 fastest subaru

2010 Subaru Radio Wiring Diagram

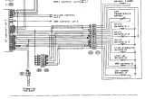
2010 Subaru Radio Wiring Diagram Subaru Sti Wiring Diagram Blog Wiring Diagram
2010 Subaru Radio Wiring Diagram Subaru Sti Wiring Diagram Blog Wiring Diagram
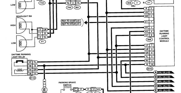
2010 Subaru Radio Wiring Diagram to 8132 Subaru Crosstrek Wiring Diagram Free Diagram
2010 Subaru Radio Wiring Diagram Dodge Charger Shelby Radio Wiring Diagram Hs Cr De
2010 Subaru Radio Wiring Diagram Subaru Sti Wiring Diagram Blog Wiring Diagram

...