samsung excavator price

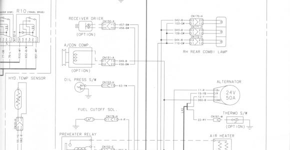
Samsung Excavator Wiring Diagram

Samsung Excavator Wiring Diagram Looking for Mech with Experience with 1995 Samsung Se130lcm 2
Samsung Excavator Wiring Diagram Looking for Mech with Experience with 1995 Samsung Se130lcm 2
Samsung Excavator Wiring Diagram Looking for Mech with Experience with 1995 Samsung Se130lcm 2
Samsung Excavator Wiring Diagram Download Samsung Schematic Diagram Youtube
Samsung Excavator Wiring Diagram Lincoln 250 Wiring Diagram Epub Pdf

Samsung Excavator Wiring Diagram - wiring diagram is a simplified adequate pictorial representation of an electrical circuit. It shows the components of the circuit as simplified shapes, and the ...