ge wall oven wiring diagram

Ge Wall Oven Wiring Diagram

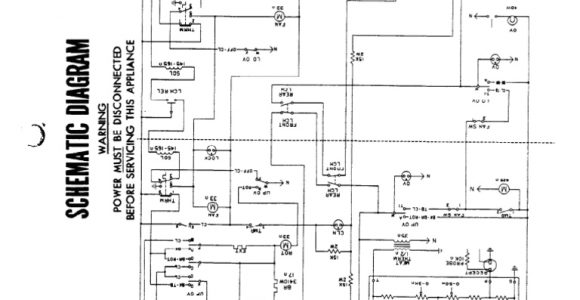
Ge Wall Oven Wiring Diagram Schematic and Wiring Diagram for the Ge Jkp36g004bg Double
Ge Wall Oven Wiring Diagram Schematic and Wiring Diagram for the Ge Jkp36g004bg Double
Ge Wall Oven Wiring Diagram [diagram] General Electric Wall Oven Wiring Diagram Full
Ge Wall Oven Wiring Diagram I Need A Wiring Diagram for A Wall Oven General Electric
Ge Wall Oven Wiring Diagram My Problem is A Pletely Dead Ge Jkp85 Bination

Ge Wall Oven Wiring Diagram - wiring diagram is a simplified up to standard pictorial representation of an electrical circuit. It shows the components of the circuit as simplified shapes, and the...