ford mondeo st line ausstattungsvarianten

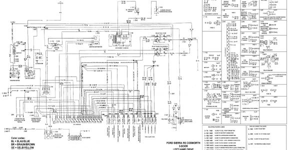
Ford Mondeo Wiring Diagram

Ford Mondeo Wiring Diagram Mc Mondeo Wiring Diagram Wiring Diagram Img
Ford Mondeo Wiring Diagram Mc Mondeo Wiring Diagram Wiring Diagram Img
Ford Mondeo Wiring Diagram Mondeo Wiring Diagram Wiring Diagram Rows
Ford Mondeo Wiring Diagram ford Mondeo Wiring Diagram Wiring Library
Ford Mondeo Wiring Diagram Mc Mondeo Wiring Diagram Wiring Diagram Img

Ford Mondeo Wiring Diagram - wiring diagram is a simplified gratifying pictorial representation of an electrical circuit. It shows the components of the circuit as simplified shapes, and the capa...