bosch k1

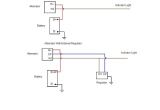
Bosch K1 Alternator Wiring Diagram

Bosch K1 Alternator Wiring Diagram How to Identify A Bosch K1 Alternator Seaboard Marine
Bosch K1 Alternator Wiring Diagram How to Identify A Bosch K1 Alternator Seaboard Marine
Bosch K1 Alternator Wiring Diagram Ox 2502 Bosch Universal Alternator Wiring Diagram Free Diagram
Bosch K1 Alternator Wiring Diagram Ew 1244 Alternator Wiring Diagram On Wiring Diagram for
Bosch K1 Alternator Wiring Diagram Ew 1244 Alternator Wiring Diagram On Wiring Diagram for

...