43cc mini harley chopper scooter

43cc Mini Chopper Wiring Diagram

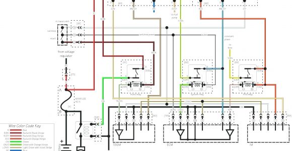
43cc Mini Chopper Wiring Diagram Choppers 49cc 2 Stroke Wiring Diagram Blog Wiring Diagram
43cc Mini Chopper Wiring Diagram Choppers 49cc 2 Stroke Wiring Diagram Blog Wiring Diagram
43cc Mini Chopper Wiring Diagram Choppers 49cc 2 Stroke Wiring Diagram Blog Wiring Diagram
43cc Mini Chopper Wiring Diagram Choppers 49cc 2 Stroke Wiring Diagram Blog Wiring Diagram
43cc Mini Chopper Wiring Diagram Choppers 49cc 2 Stroke Wiring Diagram Blog Wiring Diagram

...