2003 kia

2003 Kia Spectra Wiring Diagram

2003 Kia Spectra Wiring Diagram I Am Looking for A Wiring Diagram for A 2003 Kia Spectra I M
2003 Kia Spectra Wiring Diagram I Am Looking for A Wiring Diagram for A 2003 Kia Spectra I M
2003 Kia Spectra Wiring Diagram 2008 Kia Spectra Wiring Diagram Wiring Database Diagram
2003 Kia Spectra Wiring Diagram 2008 Kia Spectra Wiring Diagram Wiring Database Diagram
2003 Kia Spectra Wiring Diagram the Coil Wiring for 2001 Kia Online Wiring Diagram

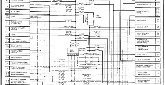
2003 Kia Spectra Wiring Diagram - wiring diagram is a simplified normal pictorial representation of an electrical circuit. It shows the components of the circuit as simplified shapes, and the kna...