1992 ford

1992 ford F150 Fuel Pump Wiring Diagram

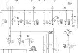
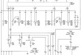
1992 ford F150 Fuel Pump Wiring Diagram Fuel Pump Wiring Getting Power On Ground Wire but No Power
1992 ford F150 Fuel Pump Wiring Diagram Fuel Pump Wiring Getting Power On Ground Wire but No Power
1992 ford F150 Fuel Pump Wiring Diagram 1991 F250 Wiring Diagram Pro Wiring Diagram
1992 ford F150 Fuel Pump Wiring Diagram 2006 ford F150 Fuel Pump Wiring Electrical Problem 2006
1992 ford F150 Fuel Pump Wiring Diagram 1983 ford Bronco 90 96 Fuel Pump System Pictures Videos

1992 ford F150 Fuel Pump Wiring Diagram - wiring diagram is a simplified satisfactory pictorial representation of an electrical circuit. It shows the components of the circuit as simplified shape...

1992 ford F150 Alternator Wiring Diagram

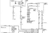
1992 ford F150 Alternator Wiring Diagram Ebbb2d5 92 ford F 150 Alternator Wiring Diagram Wiring Library
1992 ford F150 Alternator Wiring Diagram Ebbb2d5 92 ford F 150 Alternator Wiring Diagram Wiring Library
1992 ford F150 Alternator Wiring Diagram A2a 94 F150 Alternator Wiring Diagram Wiring Resources
1992 ford F150 Alternator Wiring Diagram 4703c 92 ford F 150 Alternator Wiring Diagram Wiring Library
1992 ford F150 Alternator Wiring Diagram A2a 94 F150 Alternator Wiring Diagram Wiring Resources

...

1992 ford Explorer Wiring Diagram

1992 ford Explorer Wiring Diagram 1992 ford Explorer Battery Wiring Diagrams Wiring Diagram View
1992 ford Explorer Wiring Diagram 1992 ford Explorer Battery Wiring Diagrams Wiring Diagram View
1992 ford Explorer Wiring Diagram Electrical Wiring Diagrams 1992 ford Wiring Diagram Blog
1992 ford Explorer Wiring Diagram 96 ford Ranger Wiring Color Code Wiring Diagram
1992 ford Explorer Wiring Diagram 93 Explorer Interior Light Wiring Diagram Wiring Diagram

1992 ford Explorer Wiring Diagram - wiring diagram is a simplified within acceptable limits pictorial representation of an electrical circuit. It shows the components of the circuit as simplified...