1988 ford

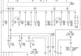
1988 ford F150 solenoid Wiring Diagram

1988 ford F150 solenoid Wiring Diagram ford F 350 Starter solenoid Wiring Diagram Blog Wiring Diagram
1988 ford F150 solenoid Wiring Diagram ford F 350 Starter solenoid Wiring Diagram Blog Wiring Diagram
1988 ford F150 solenoid Wiring Diagram 3e2 1988 ford Truck Wiring Diagram Fuse Wiring and Manual
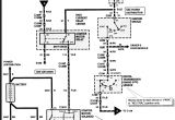
1988 ford F150 solenoid Wiring Diagram 91 ford F150 Wiring Diagram Blog Wiring Diagram
1988 ford F150 solenoid Wiring Diagram 1991 F250 Wiring Diagram Pro Wiring Diagram

...