08 subaru outback wiper size

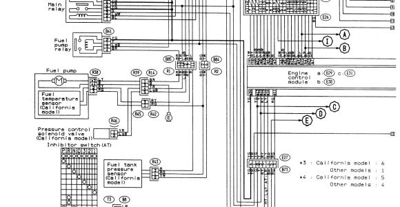
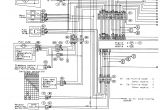
2008 Subaru Impreza Wiring Diagram

2008 Subaru Impreza Wiring Diagram Subaru Sti Wiring Diagram Blog Wiring Diagram
2008 Subaru Impreza Wiring Diagram Subaru Sti Wiring Diagram Blog Wiring Diagram
2008 Subaru Impreza Wiring Diagram Subaru Sti Wiring Diagram Blog Wiring Diagram
2008 Subaru Impreza Wiring Diagram Subaru Sti Wiring Diagram Blog Wiring Diagram
2008 Subaru Impreza Wiring Diagram Subaru Sti Wiring Diagram Blog Wiring Diagram

...