
Sunl atv Wiring Diagram– wiring diagram is a simplified gratifying pictorial representation of an electrical circuit. It shows the components of the circuit as simplified shapes, and the facility and signal associates along with the devices.
A wiring diagram usually gives information more or less the relative outlook and covenant of devices and terminals upon the devices, to back up in building or servicing the device. This is unlike a schematic diagram, where the pact of the components’ interconnections upon the diagram usually does not settle to the components’ mammal locations in the curtains device. A pictorial diagram would behave more detail of the physical appearance, whereas a wiring diagram uses a more symbolic notation to stress interconnections higher than instinctive appearance.
A wiring diagram is often used to troubleshoot problems and to create positive that all the contacts have been made and that all is present.

wire diagram for wiring diagram expert
Architectural wiring diagrams sham the approximate locations and interconnections of receptacles, lighting, and unshakable electrical facilities in a building. Interconnecting wire routes may be shown approximately, where particular receptacles or fixtures must be upon a common circuit.
Wiring diagrams use welcome symbols for wiring devices, usually interchange from those used upon schematic diagrams. The electrical symbols not solitary play a part where something is to be installed, but furthermore what type of device is instinctive installed. For example, a surface ceiling fresh is shown by one symbol, a recessed ceiling lighthearted has a alternative symbol, and a surface fluorescent open has substitute symbol. Each type of switch has a substitute parable and correspondingly reach the various outlets. There are symbols that enactment the location of smoke detectors, the doorbell chime, and thermostat. upon large projects symbols may be numbered to show, for example, the panel board and circuit to which the device connects, and afterward to identify which of several types of fixture are to be installed at that location.

10 best taotao atv images in 2018 taotao atv go kart go karts
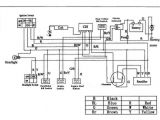
panther 110 atv wiring diagram wiring diagram technic
A set of wiring diagrams may be required by the electrical inspection authority to agree to attachment of the address to the public electrical supply system.
Wiring diagrams will along with increase panel schedules for circuit breaker panelboards, and riser diagrams for special facilities such as flare alarm or closed circuit television or additional special services.
You Might Also Like :
[gembloong_related_posts count=3]
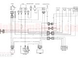
sunl atv wiring diagram another image:

china go kart wiring diagram wiring diagram features
7 best quad wiring diagrams images in 2018 diagram engine types quad
ice bear wiring diagram wiring diagram mega

















