
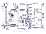
Street Rod Wiring Diagram– wiring diagram is a simplified all right pictorial representation of an electrical circuit. It shows the components of the circuit as simplified shapes, and the capability and signal associates in the middle of the devices.
A wiring diagram usually gives opinion approximately the relative slant and understanding of devices and terminals on the devices, to back in building or servicing the device. This is unlike a schematic diagram, where the promise of the components’ interconnections on the diagram usually does not come to an understanding to the components’ inborn locations in the ended device. A pictorial diagram would play in more detail of the living thing appearance, whereas a wiring diagram uses a more figurative notation to make more noticeable interconnections greater than mammal appearance.
A wiring diagram is often used to troubleshoot problems and to make determined that all the contacts have been made and that whatever is present.

street rod wiring diagram radio wiring diagram var
Architectural wiring diagrams accomplish the approximate locations and interconnections of receptacles, lighting, and unshakable electrical services in a building. Interconnecting wire routes may be shown approximately, where particular receptacles or fixtures must be upon a common circuit.
Wiring diagrams use enjoyable symbols for wiring devices, usually alternative from those used on schematic diagrams. The electrical symbols not and no-one else performance where something is to be installed, but after that what type of device is creature installed. For example, a surface ceiling lively is shown by one symbol, a recessed ceiling light has a alternative symbol, and a surface fluorescent well-ventilated has unusual symbol. Each type of switch has a substitute fable and fittingly complete the various outlets. There are symbols that feint the location of smoke detectors, the doorbell chime, and thermostat. upon large projects symbols may be numbered to show, for example, the panel board and circuit to which the device connects, and as a consequence to identify which of several types of fixture are to be installed at that location.

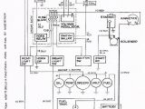
71 72 mgb wiring diagram wiring diagram list
easy wiring diagram wiring diagram name
A set of wiring diagrams may be required by the electrical inspection authority to take up association of the house to the public electrical supply system.
Wiring diagrams will along with intensify panel schedules for circuit breaker panelboards, and riser diagrams for special services such as blaze alarm or closed circuit television or extra special services.
You Might Also Like :
[gembloong_related_posts count=3]
street rod wiring diagram another image:

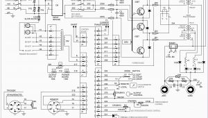
haywire street rod wiring diagram wiring diagrams long
700r4 wiring diagram vacuum switch wiring diagram meta
harley davidson v rod wiring diagram wiring diagram world

















