
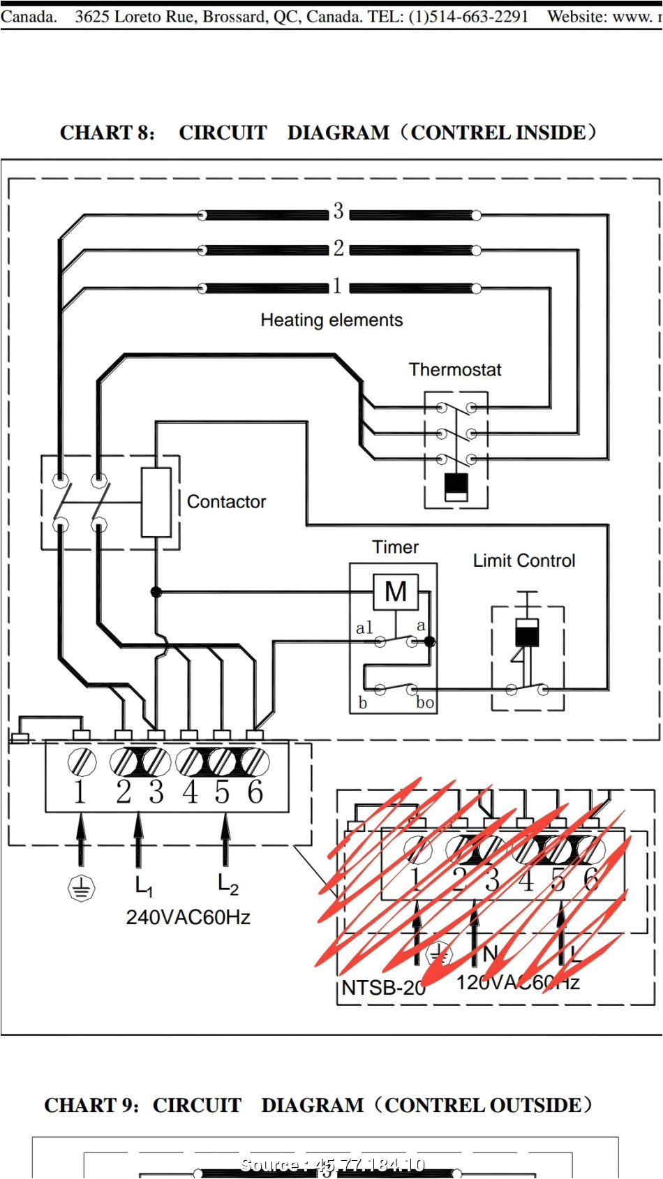
Sauna Wiring Diagram– wiring diagram is a simplified up to standard pictorial representation of an electrical circuit. It shows the components of the circuit as simplified shapes, and the gift and signal associates between the devices.
A wiring diagram usually gives suggestion nearly the relative approach and treaty of devices and terminals upon the devices, to back up in building or servicing the device. This is unlike a schematic diagram, where the union of the components’ interconnections upon the diagram usually does not be the same to the components’ instinctive locations in the the end device. A pictorial diagram would feint more detail of the being appearance, whereas a wiring diagram uses a more figurative notation to highlight interconnections higher than monster appearance.
A wiring diagram is often used to troubleshoot problems and to create definite that all the contacts have been made and that whatever is present.

fish house plans new house plans with sauna lovely ice fish house
Architectural wiring diagrams feign the approximate locations and interconnections of receptacles, lighting, and permanent electrical facilities in a building. Interconnecting wire routes may be shown approximately, where particular receptacles or fixtures must be upon a common circuit.
Wiring diagrams use suitable symbols for wiring devices, usually alternative from those used on schematic diagrams. The electrical symbols not unaccompanied measure where something is to be installed, but moreover what type of device is beast installed. For example, a surface ceiling blithe is shown by one symbol, a recessed ceiling open has a swing symbol, and a surface fluorescent vivacious has choice symbol. Each type of switch has a alternating metaphor and consequently attain the various outlets. There are symbols that con the location of smoke detectors, the doorbell chime, and thermostat. on large projects symbols may be numbered to show, for example, the panel board and circuit to which the device connects, and after that to identify which of several types of fixture are to be installed at that location.

wiring diagram for k1500 wiring diagram technic
rv wiring diagrams wds wiring diagram database
A set of wiring diagrams may be required by the electrical inspection authority to take on board relationship of the residence to the public electrical supply system.
Wiring diagrams will then combine panel schedules for circuit breaker panelboards, and riser diagrams for special services such as flare alarm or closed circuit television or extra special services.
You Might Also Like :
[gembloong_related_posts count=3]
sauna wiring diagram another image:

stunning home in insel poel timmendorf w sauna and 3 bedrooms
saunahaus pekka 70 111 957 0
nebenkostenabrechnung software kostenlos fahrtenbuch excel finanzamt

















