
S10 Wiring Diagram Pdf– wiring diagram is a simplified within acceptable limits pictorial representation of an electrical circuit. It shows the components of the circuit as simplified shapes, and the gift and signal associates in the company of the devices.
A wiring diagram usually gives opinion just about the relative approach and harmony of devices and terminals on the devices, to help in building or servicing the device. This is unlike a schematic diagram, where the understanding of the components’ interconnections on the diagram usually does not tie in to the components’ mammal locations in the over and done with device. A pictorial diagram would show more detail of the instinctive appearance, whereas a wiring diagram uses a more figurative notation to play up interconnections beyond bodily appearance.
A wiring diagram is often used to troubleshoot problems and to create definite that all the contacts have been made and that everything is present.

schematic wiring diagram ach 800 wiring diagram note
Architectural wiring diagrams acquit yourself the approximate locations and interconnections of receptacles, lighting, and permanent electrical facilities in a building. Interconnecting wire routes may be shown approximately, where particular receptacles or fixtures must be on a common circuit.
Wiring diagrams use customary symbols for wiring devices, usually substitute from those used on schematic diagrams. The electrical symbols not abandoned do something where something is to be installed, but furthermore what type of device is physical installed. For example, a surface ceiling vivacious is shown by one symbol, a recessed ceiling fresh has a rotate symbol, and a surface fluorescent well-ventilated has other symbol. Each type of switch has a every second fable and suitably realize the various outlets. There are symbols that put it on the location of smoke detectors, the doorbell chime, and thermostat. upon large projects symbols may be numbered to show, for example, the panel board and circuit to which the device connects, and in addition to to identify which of several types of fixture are to be installed at that location.

1995 s10 wiring diagram wiring diagram page
s10 ignition switch wiring diagram wiring diagram center
A set of wiring diagrams may be required by the electrical inspection authority to take on board association of the address to the public electrical supply system.
Wiring diagrams will moreover improve panel schedules for circuit breaker panelboards, and riser diagrams for special facilities such as ember alarm or closed circuit television or new special services.
You Might Also Like :
[gembloong_related_posts count=3]
s10 wiring diagram pdf another impression:

95 chevy s10 wiring diagram wiring diagrams for
schematic wiring diagram ach 800 wiring diagram note
factory radio wiring my technical write up s10 forum schema wiring
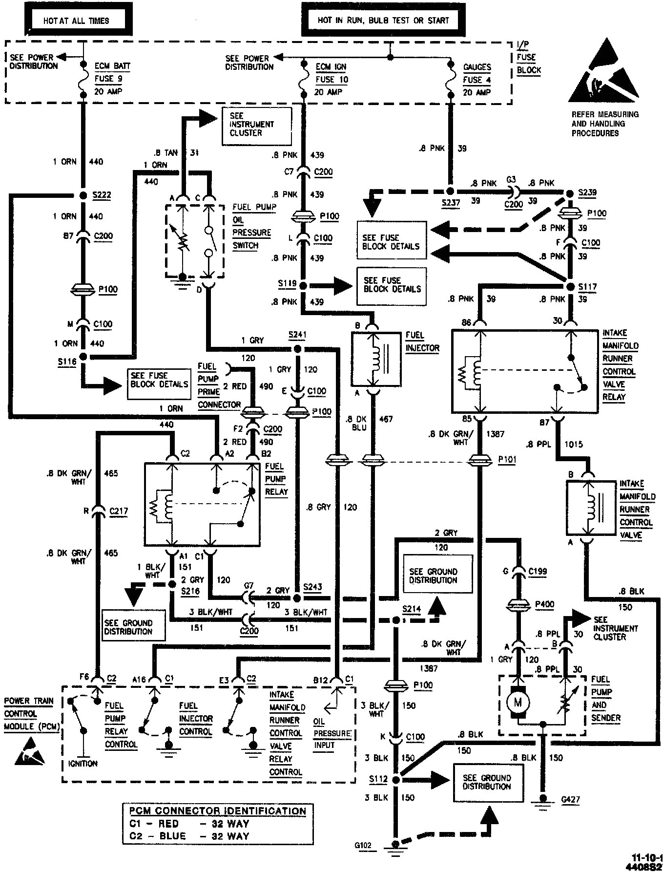
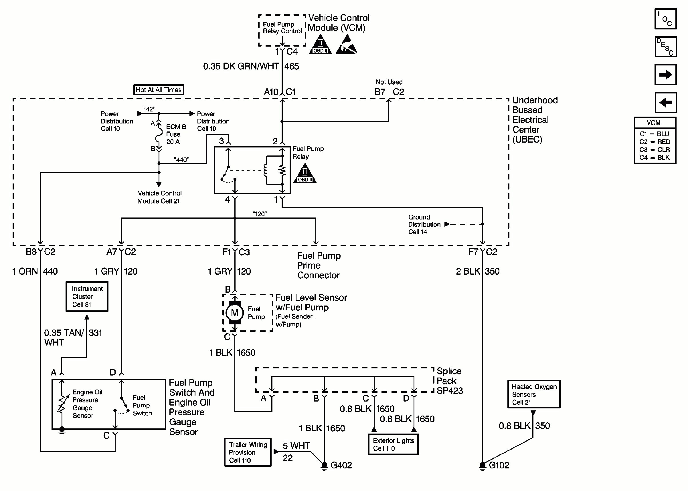
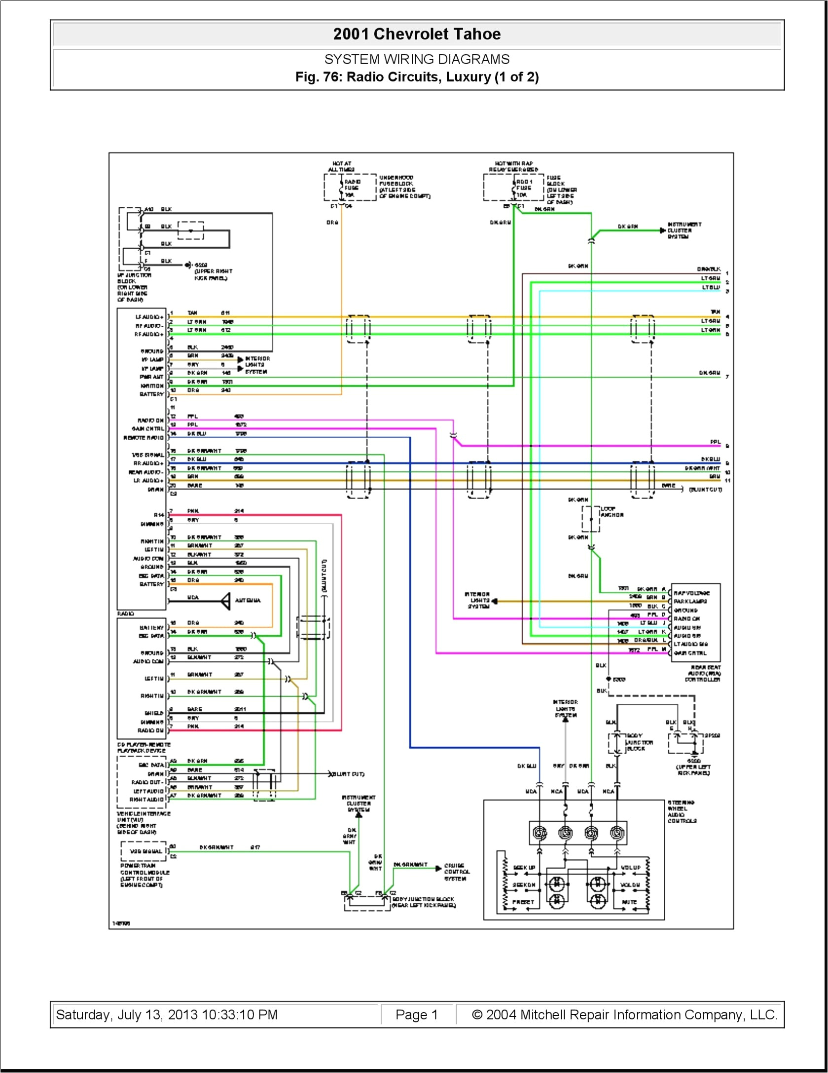
s10 wiring diagram pdf wirings diagram s10 wiring diagram pdf 1995 s10 wiring diagram pdf 1996 s10 wiring diagram pdf 1997 chevy s10 wiring diagram pdf every electric structure is composed of various unique components chevy s10 wiring diagram pdfsdocuments com our partners will collect data and use cookies for ad personalization and measurement learn how we and our ad partner google collect and use data 1999 s10 all wiring diagrams pickup truck rear wheel 1999 s10 all wiring diagrams free download as pdf file pdf text file txt or read online for free wiring for 1999 s10 s10 wiring diagram pdf daytonva150 s10 wiring diagram pdf 1999 s10 all wiring diagrams scribd 1999 s10 all wiring diagrams free as pdf file pdf text file or read online for free wiring for 1999 s10 chevrolet s10 pickup truck pdf manuals online download chevrolet s10 pickup truck pdf manuals online download links electrical wiring diagrams chevrolet s10 pickup truck pdf manuals chevrolet car manuals pdf fault codes dtc chevrolet car manuals pdf wiring diagrams above the page chevrolet is the automotive equivalent of a cat inflated with steroids the fierce cat was the pet of the swiss racer louis chevrolet and the god of business reviver of buick and the former head of gm william durant being a joint venture launched in 1910 dash wiring schematic chevy truck tail light dash wiring schematic chevy truck tail light brake light wiring diagram chevy van chevy truck brake light wiring diagram brake chevy cavalier 1999 chevy silverado brake light wiring diagram 1998 chevy it appears from the wiring diagram that the brake light switch goes through the headlamp switch so could it s for the 67 to 72 trucks but the wiring is the same s10 jimmy blazer sierra 1989 chevrolet s10 pickup wiring diagrams wiring diagrams home chevrolet wiring diagrams 1989 chevrolet s10 pickup wiring diagrams kenworth wiring diagram pdf free wiring diagram kenworth wiring diagram pdf collections of kenworth t2000 fuse diagram wire center pioneer deh 1500 wiring diagram manual copy cute 43 fair afif car clark dt 50 wiring diagram kenworth t2000 electrical wiring diagram chevy s10 2 2 engine diagram kenworth t800 wiring diagram chevrolet s10 pickup truck pdf manuals online download chevrolet s10 pickup truck pdf manuals online download links take the first step towards taking care maintaining repairing servicing your chevrolet s10 by downloading a right service repair factory workshop troubleshooting manual from chevrolet s10 pdf manuals online download links page intended to offer chevrolet s10 owners available manufacturers specifications service factory bullen free chevrolet vehicles diagrams schematics service chevrolet vehicles diagrams schematics and service manuals download for free including 1923 chevrolet car wiring 1923 chevrolet general wiring 1923 chevrolet superior model 1923 chevrolet wiring 1925 chevrolet superior model series k 1927 chevrolet capitol and national 1927 chevrolet capitol and national models 1928 chevrolet

















