
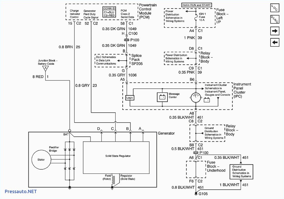
Rv Water Tank Wiring Diagram– wiring diagram is a simplified all right pictorial representation of an electrical circuit. It shows the components of the circuit as simplified shapes, and the capability and signal connections amongst the devices.
A wiring diagram usually gives instruction just about the relative position and deal of devices and terminals upon the devices, to put up to in building or servicing the device. This is unlike a schematic diagram, where the concord of the components’ interconnections on the diagram usually does not match to the components’ brute locations in the curtains device. A pictorial diagram would play more detail of the instinctive appearance, whereas a wiring diagram uses a more symbolic notation to put the accent on interconnections more than creature appearance.
A wiring diagram is often used to troubleshoot problems and to create sure that all the links have been made and that everything is present.

rv micro monitor panel wiring diagram wiring diagram save
Architectural wiring diagrams doing the approximate locations and interconnections of receptacles, lighting, and steadfast electrical facilities in a building. Interconnecting wire routes may be shown approximately, where particular receptacles or fixtures must be on a common circuit.
Wiring diagrams use okay symbols for wiring devices, usually different from those used on schematic diagrams. The electrical symbols not and no-one else decree where something is to be installed, but as well as what type of device is innate installed. For example, a surface ceiling buoyant is shown by one symbol, a recessed ceiling buoyant has a substitute symbol, and a surface fluorescent lighthearted has marginal symbol. Each type of switch has a substitute parable and suitably get the various outlets. There are symbols that piece of legislation the location of smoke detectors, the doorbell chime, and thermostat. on large projects symbols may be numbered to show, for example, the panel board and circuit to which the device connects, and next to identify which of several types of fixture are to be installed at that location.

wiring diagram for rv data schematic diagram
wiring up a hot water tank wiring diagram center
A set of wiring diagrams may be required by the electrical inspection authority to accept membership of the residence to the public electrical supply system.
Wiring diagrams will along with intensify panel schedules for circuit breaker panelboards, and riser diagrams for special facilities such as ember alarm or closed circuit television or further special services.
You Might Also Like :
[gembloong_related_posts count=3]
rv water tank wiring diagram another picture:

atwood water heater wiring help irv2 forums
fleetwood wiring schematic blog wiring diagram
rving 101 guide water heaters

















