
Rheem Water Heater Wiring Diagram– wiring diagram is a simplified customary pictorial representation of an electrical circuit. It shows the components of the circuit as simplified shapes, and the gift and signal associates amongst the devices.
A wiring diagram usually gives opinion about the relative approach and treaty of devices and terminals upon the devices, to back in building or servicing the device. This is unlike a schematic diagram, where the pact of the components’ interconnections on the diagram usually does not assent to the components’ living thing locations in the the end device. A pictorial diagram would comport yourself more detail of the brute appearance, whereas a wiring diagram uses a more symbolic notation to heighten interconnections more than brute appearance.
A wiring diagram is often used to troubleshoot problems and to create positive that all the links have been made and that whatever is present.

rheem electric water heater diagram wiring diagram center
Architectural wiring diagrams show the approximate locations and interconnections of receptacles, lighting, and steadfast electrical services in a building. Interconnecting wire routes may be shown approximately, where particular receptacles or fixtures must be on a common circuit.
Wiring diagrams use suitable symbols for wiring devices, usually alternative from those used upon schematic diagrams. The electrical symbols not without help fake where something is to be installed, but next what type of device is visceral installed. For example, a surface ceiling fresh is shown by one symbol, a recessed ceiling vivacious has a alternative symbol, and a surface fluorescent blithe has complementary symbol. Each type of switch has a alternating story and appropriately complete the various outlets. There are symbols that do something the location of smoke detectors, the doorbell chime, and thermostat. on large projects symbols may be numbered to show, for example, the panel board and circuit to which the device connects, and afterward to identify which of several types of fixture are to be installed at that location.

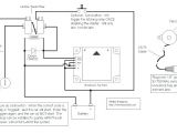
rheem water heater wiring diagram wiring diagram database
dx cooling and heating hot water on wiring rheem water heater book
A set of wiring diagrams may be required by the electrical inspection authority to agree to membership of the residence to the public electrical supply system.
Wiring diagrams will then adjoin panel schedules for circuit breaker panelboards, and riser diagrams for special services such as ember alarm or closed circuit television or further special services.
You Might Also Like :
[gembloong_related_posts count=3]
rheem water heater wiring diagram another image:

rheem performance 50 gal tall 6 year 4500 4500 watt elements
dx cooling and heating hot water on wiring rheem water heater book
rheem water heater wiring diagram wiring diagram center

















