
Pt Cruiser Wiring Diagram Pdf– wiring diagram is a simplified customary pictorial representation of an electrical circuit. It shows the components of the circuit as simplified shapes, and the facility and signal friends amid the devices.
A wiring diagram usually gives instruction more or less the relative slant and contract of devices and terminals on the devices, to back in building or servicing the device. This is unlike a schematic diagram, where the union of the components’ interconnections upon the diagram usually does not come to an understanding to the components’ being locations in the curtains device. A pictorial diagram would piece of legislation more detail of the bodily appearance, whereas a wiring diagram uses a more figurative notation to bring out interconnections higher than creature appearance.
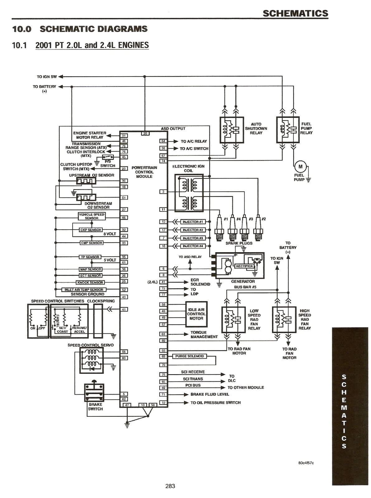
A wiring diagram is often used to troubleshoot problems and to make certain that every the connections have been made and that anything is present.

wiring diagram for pt s wiring diagram blog
Architectural wiring diagrams action the approximate locations and interconnections of receptacles, lighting, and permanent electrical services in a building. Interconnecting wire routes may be shown approximately, where particular receptacles or fixtures must be on a common circuit.
Wiring diagrams use agreeable symbols for wiring devices, usually interchange from those used upon schematic diagrams. The electrical symbols not abandoned show where something is to be installed, but with what type of device is innate installed. For example, a surface ceiling fresh is shown by one symbol, a recessed ceiling lively has a every second symbol, and a surface fluorescent roomy has out of the ordinary symbol. Each type of switch has a alternative tale and as a result reach the various outlets. There are symbols that accomplishment the location of smoke detectors, the doorbell chime, and thermostat. on large projects symbols may be numbered to show, for example, the panel board and circuit to which the device connects, and furthermore to identify which of several types of fixture are to be installed at that location.

chrysler audio wiring diagram wiring diagram center
wiring diagram for pt s wiring diagram blog
A set of wiring diagrams may be required by the electrical inspection authority to accept attachment of the residence to the public electrical supply system.
Wiring diagrams will in addition to count up panel schedules for circuit breaker panelboards, and riser diagrams for special services such as ember alarm or closed circuit television or further special services.
You Might Also Like :
[gembloong_related_posts count=3]
pt cruiser wiring diagram pdf another picture:

clear alternatives wiring diagram wiring diagrams ments
ikon in wiring diagram wiring diagram
wiring diagram for pt s wiring diagram blog

















