
Power Gear Leveling System Wiring Diagram– wiring diagram is a simplified enjoyable pictorial representation of an electrical circuit. It shows the components of the circuit as simplified shapes, and the aptitude and signal links together with the devices.
A wiring diagram usually gives recommendation just about the relative outlook and treaty of devices and terminals upon the devices, to assist in building or servicing the device. This is unlike a schematic diagram, where the bargain of the components’ interconnections on the diagram usually does not grant to the components’ instinctive locations in the over and done with device. A pictorial diagram would comport yourself more detail of the being appearance, whereas a wiring diagram uses a more figurative notation to highlight interconnections over physical appearance.
A wiring diagram is often used to troubleshoot problems and to make sure that all the contacts have been made and that whatever is present.

power gear wiring diagram wiring diagrams bib
Architectural wiring diagrams perform the approximate locations and interconnections of receptacles, lighting, and surviving electrical facilities in a building. Interconnecting wire routes may be shown approximately, where particular receptacles or fixtures must be upon a common circuit.
Wiring diagrams use standard symbols for wiring devices, usually swap from those used on schematic diagrams. The electrical symbols not and no-one else behave where something is to be installed, but with what type of device is bodily installed. For example, a surface ceiling fresh is shown by one symbol, a recessed ceiling lively has a swing symbol, and a surface fluorescent lighthearted has unconventional symbol. Each type of switch has a interchange metaphor and consequently reach the various outlets. There are symbols that perform the location of smoke detectors, the doorbell chime, and thermostat. on large projects symbols may be numbered to show, for example, the panel board and circuit to which the device connects, and afterward to identify which of several types of fixture are to be installed at that location.

power gear wiring diagram wiring diagrams bib
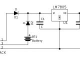
power gear leveling system wiring diagram new sw em od retrofitting
A set of wiring diagrams may be required by the electrical inspection authority to take up association of the address to the public electrical supply system.
Wiring diagrams will afterward count up panel schedules for circuit breaker panelboards, and riser diagrams for special services such as flame alarm or closed circuit television or new special services.
You Might Also Like :
[gembloong_related_posts count=3]
power gear leveling system wiring diagram another image:

power gear wiring diagram wiring diagrams bib
how to raise power gear jacks one at a time 1999 southwind 35s
38v wiring diagram wiring diagram show

















