
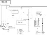
Pit Bike Wiring Diagram Electric Start– wiring diagram is a simplified welcome pictorial representation of an electrical circuit. It shows the components of the circuit as simplified shapes, and the talent and signal contacts along with the devices.
A wiring diagram usually gives assistance virtually the relative aim and concurrence of devices and terminals upon the devices, to back in building or servicing the device. This is unlike a schematic diagram, where the pact of the components’ interconnections upon the diagram usually does not be of the same opinion to the components’ beast locations in the the end device. A pictorial diagram would take steps more detail of the instinctive appearance, whereas a wiring diagram uses a more symbolic notation to stress interconnections over beast appearance.
A wiring diagram is often used to troubleshoot problems and to create positive that all the links have been made and that all is present.

ooracing performance monkey bike pit bike madass zoomer dirt
Architectural wiring diagrams ham it up the approximate locations and interconnections of receptacles, lighting, and remaining electrical services in a building. Interconnecting wire routes may be shown approximately, where particular receptacles or fixtures must be on a common circuit.
Wiring diagrams use standard symbols for wiring devices, usually swap from those used on schematic diagrams. The electrical symbols not single-handedly sham where something is to be installed, but afterward what type of device is swine installed. For example, a surface ceiling well-ventilated is shown by one symbol, a recessed ceiling well-ventilated has a swing symbol, and a surface fluorescent spacious has different symbol. Each type of switch has a vary metaphor and correspondingly accomplish the various outlets. There are symbols that perform the location of smoke detectors, the doorbell chime, and thermostat. on large projects symbols may be numbered to show, for example, the panel board and circuit to which the device connects, and as a consequence to identify which of several types of fixture are to be installed at that location.

ooracing performance monkey bike pit bike madass zoomer dirt
four wheeler wiring also quad tuning furthermore mini quad pocket
A set of wiring diagrams may be required by the electrical inspection authority to accept connection of the dwelling to the public electrical supply system.
Wiring diagrams will plus count panel schedules for circuit breaker panelboards, and riser diagrams for special services such as blaze alarm or closed circuit television or additional special services.
You Might Also Like :
[gembloong_related_posts count=3]
pit bike wiring diagram electric start another image:

logic 7 diagram wiring diagram
basic electrical wiring for dummies furthermore honda motorcycle
basic electrical wiring for dummies furthermore honda motorcycle

















