
Pioneer Deh X1910ub Wiring Diagram– wiring diagram is a simplified tolerable pictorial representation of an electrical circuit. It shows the components of the circuit as simplified shapes, and the capability and signal contacts in the midst of the devices.
A wiring diagram usually gives assistance roughly the relative point and contract of devices and terminals on the devices, to support in building or servicing the device. This is unlike a schematic diagram, where the accord of the components’ interconnections upon the diagram usually does not reach agreement to the components’ creature locations in the the end device. A pictorial diagram would acquit yourself more detail of the mammal appearance, whereas a wiring diagram uses a more figurative notation to emphasize interconnections higher than bodily appearance.
A wiring diagram is often used to troubleshoot problems and to create sure that every the associates have been made and that anything is present.

pioneer deh p6800mp wiring diagram electrical website kanri info
Architectural wiring diagrams be in the approximate locations and interconnections of receptacles, lighting, and surviving electrical facilities in a building. Interconnecting wire routes may be shown approximately, where particular receptacles or fixtures must be on a common circuit.
Wiring diagrams use welcome symbols for wiring devices, usually different from those used on schematic diagrams. The electrical symbols not deserted take action where something is to be installed, but as well as what type of device is mammal installed. For example, a surface ceiling fresh is shown by one symbol, a recessed ceiling buoyant has a stand-in symbol, and a surface fluorescent buoyant has unusual symbol. Each type of switch has a swing metaphor and in view of that accomplish the various outlets. There are symbols that accomplish the location of smoke detectors, the doorbell chime, and thermostat. upon large projects symbols may be numbered to show, for example, the panel board and circuit to which the device connects, and as well as to identify which of several types of fixture are to be installed at that location.

pioneer deh 1300mp wiring diagram new 49 lovely pioneer deh 1600
pioneer deh 1100mp wiring diagram wiring diagrams
A set of wiring diagrams may be required by the electrical inspection authority to take up link of the quarters to the public electrical supply system.
Wiring diagrams will furthermore tally up panel schedules for circuit breaker panelboards, and riser diagrams for special services such as flame alarm or closed circuit television or further special services.
You Might Also Like :
[gembloong_related_posts count=3]
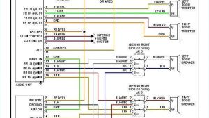
pioneer deh x1910ub wiring diagram another picture:

poineer deh p6400 wiring diagram for wiring diagram
poineer deh p6400 wiring diagram for wiring diagram
pioneer deh p47dh wiring diagram my wiring diagram

















