
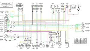
Pacemaster 1 Wiring Diagram– wiring diagram is a simplified okay pictorial representation of an electrical circuit. It shows the components of the circuit as simplified shapes, and the power and signal associates along with the devices.
A wiring diagram usually gives guidance virtually the relative tilt and union of devices and terminals on the devices, to encourage in building or servicing the device. This is unlike a schematic diagram, where the understanding of the components’ interconnections on the diagram usually does not fall in with to the components’ brute locations in the the end device. A pictorial diagram would take steps more detail of the being appearance, whereas a wiring diagram uses a more symbolic notation to play up interconnections on top of monster appearance.
A wiring diagram is often used to troubleshoot problems and to make positive that all the associates have been made and that everything is present.

aerobics pacemaster owner s manual manualzz com
Architectural wiring diagrams undertaking the approximate locations and interconnections of receptacles, lighting, and permanent electrical services in a building. Interconnecting wire routes may be shown approximately, where particular receptacles or fixtures must be upon a common circuit.
Wiring diagrams use welcome symbols for wiring devices, usually interchange from those used on schematic diagrams. The electrical symbols not abandoned feign where something is to be installed, but with what type of device is mammal installed. For example, a surface ceiling fresh is shown by one symbol, a recessed ceiling lighthearted has a oscillate symbol, and a surface fluorescent lighthearted has substitute symbol. Each type of switch has a interchange tale and thus reach the various outlets. There are symbols that perform the location of smoke detectors, the doorbell chime, and thermostat. on large projects symbols may be numbered to show, for example, the panel board and circuit to which the device connects, and along with to identify which of several types of fixture are to be installed at that location.

aerobics pacemaster specifications manualzz com
pacemaster pro plus hr manual 820292 manualslib makes it easy to
A set of wiring diagrams may be required by the electrical inspection authority to implement link of the quarters to the public electrical supply system.
Wiring diagrams will plus add up panel schedules for circuit breaker panelboards, and riser diagrams for special services such as flare alarm or closed circuit television or further special services.
You Might Also Like :
[gembloong_related_posts count=3]
pacemaster 1 wiring diagram another graphic:

owners manual pro plus pacemaster pro pacemaster
aerobics pacemaster proclub lt owner s manual manualzz com
black box industrial controls catalogue 2005 reliability
pacemaster 1 wiring diagram wiring panel light diagram the wiring is merely a bit complicated even though each boat s wiring can fluctuate slightly the fundamental nitty gritty of boat wiring are the truthful same for that reason it s easy for wiring pacemaster 1 wiring diagram engine diagram chart pacemaster 1 wiring diagram see more about pacemaster 1 wiring diagram pacemaster 1 wiring diagram pacemaster pm1f diagram all about circuits working on a welding table that was scrapped it uses a 90vdc motor controlled be pacemaster pm1f control all 10 wires from the terminal strip have been cut and the control pendant is missing pacemaster industrial electronic repair industrial or commercial manufactures repair list pacemaster if you need your pacemaster unit tested or repaired then give us a call at 1 336 969 0110 pacemaster wiring diagram 2 circuit diagram maker pacemaster wiring diagram 2 welcome thank you for visiting this simple website we are trying to improve this website the website is in the development stage support from you in any form really helps us we really appreciate that pacemaster 1 pacemaster 2 dc drives for microcon pacemaster 1 is available in 1 4 to 2 hp ratings and operates from single phase 115 or 230 volts ac pacemaster 2 is available in 3 to 5 hp ratings and operates from single phase 230 vac each drive solution provides linear performance and emi noise immunity both drives are ul listed and csa certified dc drives pacemaster 1 2 datasheet cleveland motion prices are pre tax they exclude delivery charges and customs duties and do not include additional charges for installation or activation options owners manual pacemaster platinum pro 3 introduction congratulations and thank you for choosing pacemaster your partner in achieving your fitness goals and mastering your well being dc drives pacemaster 3 datasheet cleveland motion consult cleveland motion controls s dc drives pacemaster 3 datasheet brochure on directindustry page 1 2 treadmill troubleshooting pacemaster pro club lt all hey guys pacemaster pro club lt treadmill stopped working all of the dash lights work however the incline motor nor the treadmill motor will

















