
Nissan Altima Stereo Wiring Diagram– wiring diagram is a simplified good enough pictorial representation of an electrical circuit. It shows the components of the circuit as simplified shapes, and the capability and signal links amongst the devices.
A wiring diagram usually gives guidance just about the relative point and harmony of devices and terminals upon the devices, to help in building or servicing the device. This is unlike a schematic diagram, where the contract of the components’ interconnections upon the diagram usually does not be consistent with to the components’ brute locations in the curtains device. A pictorial diagram would action more detail of the mammal appearance, whereas a wiring diagram uses a more figurative notation to bring out interconnections on top of bodily appearance.
A wiring diagram is often used to troubleshoot problems and to create positive that every the links have been made and that all is present.

nissan altima wiring harness diagram wiring diagram expert
Architectural wiring diagrams be in the approximate locations and interconnections of receptacles, lighting, and unshakable electrical services in a building. Interconnecting wire routes may be shown approximately, where particular receptacles or fixtures must be on a common circuit.
Wiring diagrams use usual symbols for wiring devices, usually oscillate from those used on schematic diagrams. The electrical symbols not deserted play-act where something is to be installed, but moreover what type of device is brute installed. For example, a surface ceiling lighthearted is shown by one symbol, a recessed ceiling light has a every second symbol, and a surface fluorescent fresh has other symbol. Each type of switch has a stand-in parable and thus realize the various outlets. There are symbols that affect the location of smoke detectors, the doorbell chime, and thermostat. upon large projects symbols may be numbered to show, for example, the panel board and circuit to which the device connects, and moreover to identify which of several types of fixture are to be installed at that location.

nissan altima wiring harness diagram wiring diagram expert
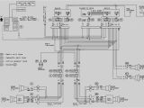
nissan altima radio wiring diagram wiring diagram completed
A set of wiring diagrams may be required by the electrical inspection authority to take on attachment of the habitat to the public electrical supply system.
Wiring diagrams will as a consequence complement panel schedules for circuit breaker panelboards, and riser diagrams for special services such as ember alarm or closed circuit television or further special services.
You Might Also Like :
[gembloong_related_posts count=3]
nissan altima stereo wiring diagram another picture:

nissan altima wiring harness diagram wiring diagram expert
2000 nissan altima radio wiring wiring diagram basic
2001 nissan altima stereo wiring diagram wiring diagram home
nissan car radio stereo audio wiring diagram autoradio car stereo wiring diagrams car radio wiring car radio wiring colors car radio wire car radio connections wiring diagram car radio wire colours nissan auto radio wiring diagrams install car radio how to install car radio autoradio wiring harness stereo installation nissan altima stereo wiring diagram car radio wiring diagrams car stereo wiring diagrams modified life features car stereo wiring diagram car radio wire schematic and car audio wiring guide for all late model cars all the wire color codes information how to nissan altima stereo wiring diagram my pro street based on the nissan bluebird before it the first altima used a single din stereo setup this center mounted stereo can be accessed by removing the front faceplate nissan altima wiring diagram diagrams magnificent 2004 nissan altima wiring diagram diagrams magnificent 2004 radio 11 nissan altima ac wiring diagram 1998 inside 2000 10 nissan altima wiring diagram diagrams magnificent 2004 radio 11 2000 nissan altima wiring diagram 791×1024 9 valuable 2001 nissan altima wiring diagram 4622 for 8 2009 08 29 163245 bose1 in 2006 nissan altima stereo wiring 2014 nissan altima stereo wiring diagram sample wiring 2014 nissan altima stereo wiring diagram a novice s overview to circuit diagrams a very first look at a circuit representation could be complex yet if you could review a train map you can read schematics 2010 nissan altima wiring diagram wiring diagram chart 2010 nissan altima wiring diagram 2004 nissan altima stereo wiring data wiring diagrams 1999 nissan altima car stereo wire colors and locations 1999 nissan altima car stereo wire colors functions and locations 2012 nissan altima stereo wiring diagram the stereo wiring diagram listed above is provided as is without any kind of warranty use of the information above is at your own risk the install doctor radio wire harness and colors free car stereo and car radio installation resource step by step installation instructions complete with photos tool list and wiring detail

















