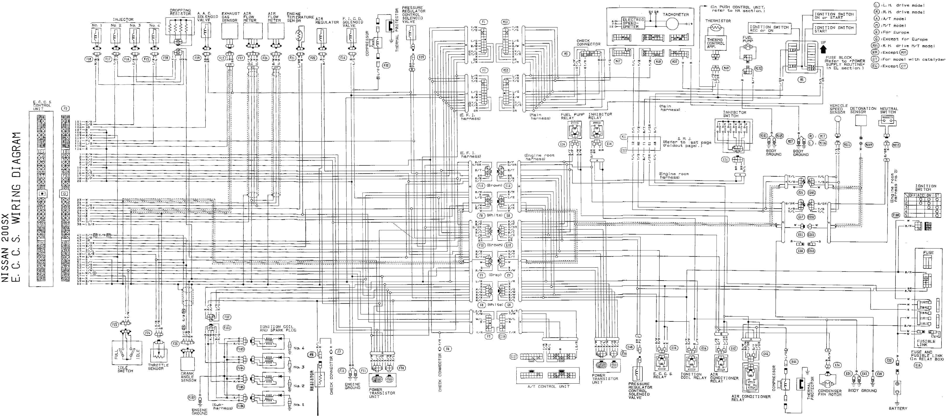
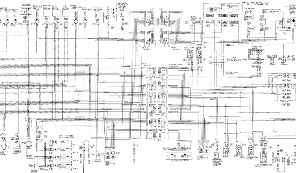
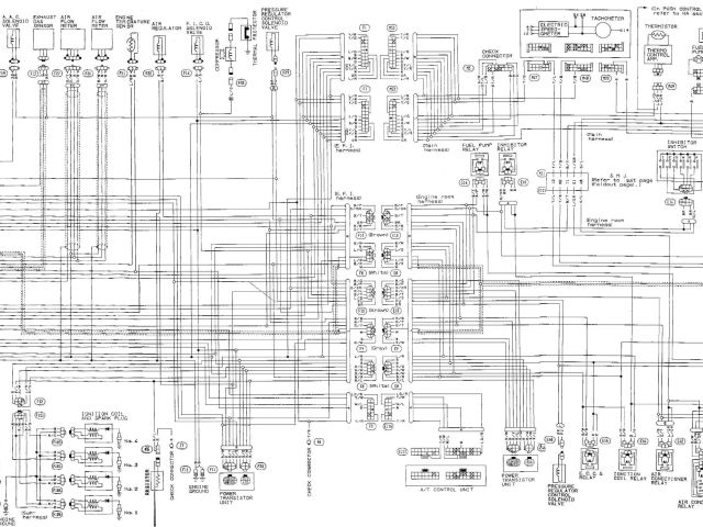
Nissan Almera N16 Wiring Diagram Nissan N16 Wiring Diagram Pdf Wiring Diagram is one of the pictures that are related to the picture before in the collection gallery, uploaded by autocardesign.org. You can also look for some pictures that related to Wiring Diagram by scroll down to collection on below this picture. If you want to find the other picture or article about Nissan Almera N16 Wiring Diagram Nissan N16 Wiring Diagram Pdf Wiring Diagram just push the gallery or if you are interested in similar Gallery of Nissan Almera N16 Wiring Diagram Nissan N16 Wiring Diagram Pdf Wiring Diagram, you are free to browse through search feature that located on top this page or random post section at below of this post. We hope it can help you to get information about this picture. Finally, thank you for visiting this Home Design Website, and we welcome you to come as many as you like them here.

Thank you for visiting, If you found any images copyrighted to yours, please contact us and we will remove it. We don't intend to display any copyright protected images. We hope you can find what you need here. We always effort to show a picture with HD resolution or at least with perfect images. Popular of Nissan Almera N16 Wiring Diagram Nissan N16 Wiring Diagram Pdf Wiring Diagram can be a beneficial inspiration for those who seek an image according to specific categories like Wiring Diagram. Finally, all pictures we have been displayed on this site will inspire you all...
Tags: nissan almera airbag, nissan almera heater resistor location, nissan almera spares, nissan almera turbo, nissan almera wheel size
https://www.autocardesign.org/nissan-almera-n16-wiring-diagram/nissan-almera-n16-wiring-diagram-nissan-n16-wiring-diagram-pdf-wiring-diagram-4/
Download by size:Handphone Tablet Desktop (Original Size)
Back To Nissan Almera N16 Wiring Diagram
















