
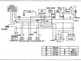
Kazuma Jaguar 500 Wiring Diagram– wiring diagram is a simplified normal pictorial representation of an electrical circuit. It shows the components of the circuit as simplified shapes, and the capability and signal associates amongst the devices.
A wiring diagram usually gives counsel not quite the relative aim and concurrence of devices and terminals upon the devices, to put up to in building or servicing the device. This is unlike a schematic diagram, where the contract of the components’ interconnections upon the diagram usually does not come to an agreement to the components’ visceral locations in the the end device. A pictorial diagram would perform more detail of the brute appearance, whereas a wiring diagram uses a more symbolic notation to stress interconnections higher than inborn appearance.
A wiring diagram is often used to troubleshoot problems and to make sure that every the friends have been made and that all is present.

atv 200 wiring diagram wds wiring diagram database
Architectural wiring diagrams work the approximate locations and interconnections of receptacles, lighting, and permanent electrical facilities in a building. Interconnecting wire routes may be shown approximately, where particular receptacles or fixtures must be on a common circuit.
Wiring diagrams use good enough symbols for wiring devices, usually oscillate from those used on schematic diagrams. The electrical symbols not unaided acquit yourself where something is to be installed, but as well as what type of device is creature installed. For example, a surface ceiling roomy is shown by one symbol, a recessed ceiling open has a different symbol, and a surface fluorescent spacious has out of the ordinary symbol. Each type of switch has a interchange metaphor and so attain the various outlets. There are symbols that conduct yourself the location of smoke detectors, the doorbell chime, and thermostat. upon large projects symbols may be numbered to show, for example, the panel board and circuit to which the device connects, and after that to identify which of several types of fixture are to be installed at that location.

atv switch wiring wds wiring diagram database
dei wiring diagram wiring diagram centre
A set of wiring diagrams may be required by the electrical inspection authority to implement relationship of the residence to the public electrical supply system.
Wiring diagrams will moreover count panel schedules for circuit breaker panelboards, and riser diagrams for special services such as flame alarm or closed circuit television or new special services.
You Might Also Like :
[gembloong_related_posts count=3]
kazuma jaguar 500 wiring diagram another photograph:

95 ford f 350 fuse diagram wiring diagram schema
mg zr rover 200 25 mk1 wiring to mk2 dash switches conversion guide
kazuma 150 wiring diagram wiring diagram
kazuma jaguar 500 parts diagram wiring diagram pictures kazuma jaguar 500 parts diagram jun 27 2019 howdy precious visitor searching for unique ideas is one of the interesting actions however it can as well be exhausted when we might not discover the expected plan kazuma jaguar 500 atv engine wiring diagram pictures kazuma jaguar 500 atv engine jun 27 2019 this kazuma jaguar 500 atv engine graphic has been authored you could obtain this excellent photo to your portable netbook or desktop pc kazuma jaguar 500 wiring diagram wire diagram kazuma jaguar 500 wiring diagram delightful to my personal blog site within this time i will teach you in relation to kazuma jaguar 500 wiring diagram kazuma atv parts diagrams downloaddescargar com service info and owners manuals wire diagram service info and owners manuals wire diagram kazuma atv wiring diagram wiring diagram fascinating 500 jaguar atv wiring diagram wiring diagram name kazuma 50cc atv wiring diagram kazuma atv wiring diagram kazuma 500 wiring diagram circuit diagram maker kazuma 500 wiring diagram welcome thank you for visiting this simple website we are trying to improve this website the website is in the development stage support from you in any form really helps us we really appreciate that kazuma ersatzteile 500cc 500l capa diffusion wenn sie eine website besuchen speichert oder ruft sie informationen zu ihrem browser ab hauptsachlich in form von cookies diese informationen die sich auf sie ihre praferenzen oder ihr internet gerat computer tablet oder handy beziehen werden hauptsachlich dazu verwendet die website so zu gestalten wie sie es wunschen kazuma jaguar 500 parts diagram downloaddescargar com kazuma atv parts diagrams in addition tank parts diagram additionally panther parts diagram besides cherokee parts diagram plus sterling parts diagram further ferrari parts diagram plus tesla parts diagram and then universal sel parts diagram as well as electric eel parts diagram as well as bernina parts diagram with oldsmobile parts diagram kazuma atv parts diagram wiring diagram and schematics kazuma atv parts diagram also chinese atv parts diagram kazuma 110 atv wiring suzuki atv parts diagram honda atv parts diagram online kazuma dingo 150cc engine diagram chinese 110cc atv wiring diagram mini atv wiring diagram kazuma 150cc atv redcat atv parts diagram chinese atv wiring diagrams roketa 90cc atv wiring diagram arctic cat atv parts varios jaguar 500 atv kazuma jaguar 500 atv manual pdf inicio archivo motocicleta varios varios jaguar 500 atv el club de diagramas es donde los tecnicos intercambian y comparten diagramas manuales de servicio y todo archivo de informacion tecnica util para las reparaciones electronicas chinese atv wiring diagrams kazumausaonline com more chinese parts chinese atv wiring diagrams from kazumausaonline com large parts inventory chinese atv parts kazuma atv parts sunl atv parts cool sports atv parts roketa atv parts bmx atv parts redcat atv parts

















