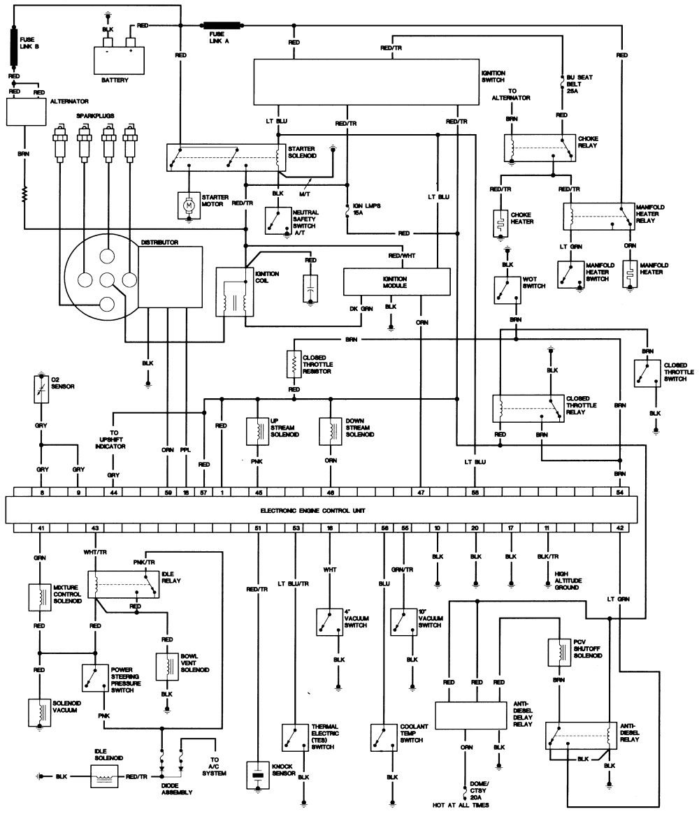
Jeep Wrangler Alternator Wiring Diagram


Warning: count(): Parameter must be an array or an object that implements Countable in /var/www/html/autocardesign.org/wp-content/themes/silegan-wordpress-theme/inc/themeson.class.php on line 625
Jeep Wrangler Alternator Wiring Diagram Xw 7754 1991 Jeep Wrangler Alternator Wiring Diagram Schematic
Jeep Wrangler Alternator Wiring Diagram Xw 7754 1991 Jeep Wrangler Alternator Wiring Diagram Schematic