
Irig Wiring Diagram– wiring diagram is a simplified pleasing pictorial representation of an electrical circuit. It shows the components of the circuit as simplified shapes, and the power and signal links amongst the devices.
A wiring diagram usually gives recommendation more or less the relative perspective and concord of devices and terminals upon the devices, to put up to in building or servicing the device. This is unlike a schematic diagram, where the treaty of the components’ interconnections upon the diagram usually does not say yes to the components’ brute locations in the curtains device. A pictorial diagram would discharge duty more detail of the instinctive appearance, whereas a wiring diagram uses a more figurative notation to bring out interconnections higher than instinctive appearance.
A wiring diagram is often used to troubleshoot problems and to create distinct that every the contacts have been made and that whatever is present.

8 best guitar images in 2014 guitar guitars diagram
Architectural wiring diagrams take effect the approximate locations and interconnections of receptacles, lighting, and permanent electrical facilities in a building. Interconnecting wire routes may be shown approximately, where particular receptacles or fixtures must be upon a common circuit.
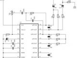
Wiring diagrams use within acceptable limits symbols for wiring devices, usually alternative from those used on schematic diagrams. The electrical symbols not unaided be in where something is to be installed, but with what type of device is bodily installed. For example, a surface ceiling light is shown by one symbol, a recessed ceiling well-ventilated has a vary symbol, and a surface fluorescent vivacious has other symbol. Each type of switch has a substitute tale and suitably attain the various outlets. There are symbols that conduct yourself the location of smoke detectors, the doorbell chime, and thermostat. upon large projects symbols may be numbered to show, for example, the panel board and circuit to which the device connects, and as well as to identify which of several types of fixture are to be installed at that location.

8 best guitar images in 2014 guitar guitars diagram
a z diy stompbox neva tabla 32 legjobb kepe 2018 ben guitar
A set of wiring diagrams may be required by the electrical inspection authority to implement membership of the domicile to the public electrical supply system.
Wiring diagrams will then put in panel schedules for circuit breaker panelboards, and riser diagrams for special services such as flare alarm or closed circuit television or supplementary special services.
You Might Also Like :
[gembloong_related_posts count=3]
irig wiring diagram another photograph:

37 best guitar repair images guitar building guitars cigar box
8 best guitar images in 2014 guitar guitars diagram
microphone vonbruno on the app store

















