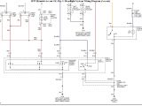
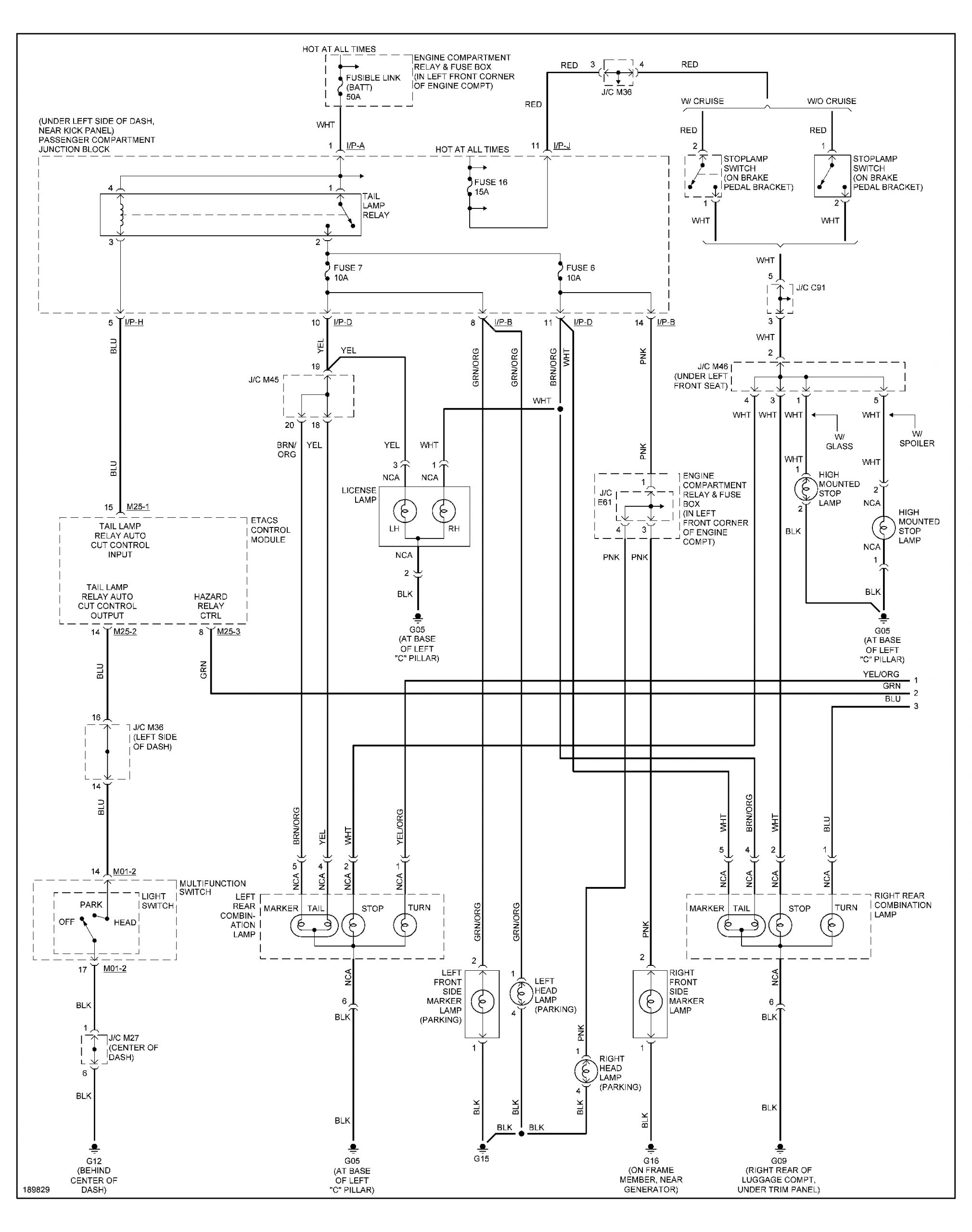
Hyundai Accent Headlight Wiring Diagram


Warning: count(): Parameter must be an array or an object that implements Countable in /var/www/html/autocardesign.org/wp-content/themes/silegan-wordpress-theme/inc/themeson.class.php on line 625
Hyundai Accent Headlight Wiring Diagram Ffd 08 Hyundai Accent Wiring Diagram Auto Zone Wiring
Hyundai Accent Headlight Wiring Diagram Ffd 08 Hyundai Accent Wiring Diagram Auto Zone Wiring
Tags: