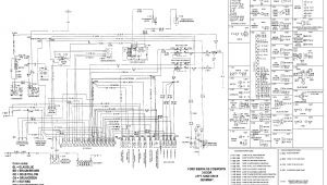
Hunter Ceiling Fan Motor Wiring Diagram


Warning: count(): Parameter must be an array or an object that implements Countable in /var/www/html/autocardesign.org/wp-content/themes/silegan-wordpress-theme/inc/themeson.class.php on line 625
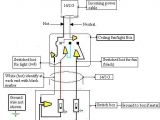
Hunter Ceiling Fan Motor Wiring Diagram Wiring Diagram Bathroom with Images Ceiling Fan Switch
Hunter Ceiling Fan Motor Wiring Diagram Wiring Diagram Bathroom with Images Ceiling Fan Switch
See also  2006 Sportster Wiring Diagram