Hotsy Pressure Washer Wiring Diagram


Warning: count(): Parameter must be an array or an object that implements Countable in /var/www/html/autocardesign.org/wp-content/themes/silegan-wordpress-theme/inc/themeson.class.php on line 625
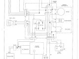
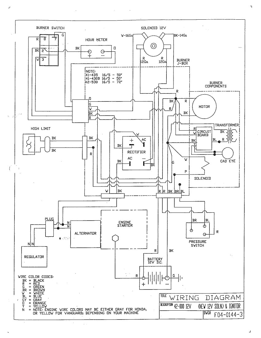
Hotsy Pressure Washer Wiring Diagram Delux A Rk40 5030 Series Gas Powered Hot Water Pressure Washer
Hotsy Pressure Washer Wiring Diagram Delux A Rk40 5030 Series Gas Powered Hot Water Pressure Washer