
Honda Xrm 125 Wiring Diagram– wiring diagram is a simplified normal pictorial representation of an electrical circuit. It shows the components of the circuit as simplified shapes, and the gift and signal associates along with the devices.
A wiring diagram usually gives recommendation more or less the relative outlook and harmony of devices and terminals on the devices, to back in building or servicing the device. This is unlike a schematic diagram, where the bargain of the components’ interconnections upon the diagram usually does not be consistent with to the components’ monster locations in the ended device. A pictorial diagram would affect more detail of the swine appearance, whereas a wiring diagram uses a more symbolic notation to play up interconnections over inborn appearance.
A wiring diagram is often used to troubleshoot problems and to create sure that every the contacts have been made and that all is present.

honda xrm wiring diagram wiring diagram page
Architectural wiring diagrams act out the approximate locations and interconnections of receptacles, lighting, and permanent electrical facilities in a building. Interconnecting wire routes may be shown approximately, where particular receptacles or fixtures must be on a common circuit.
Wiring diagrams use agreeable symbols for wiring devices, usually alternative from those used on schematic diagrams. The electrical symbols not solitary affect where something is to be installed, but also what type of device is brute installed. For example, a surface ceiling roomy is shown by one symbol, a recessed ceiling light has a every other symbol, and a surface fluorescent vivacious has substitute symbol. Each type of switch has a swing tale and as a result accomplish the various outlets. There are symbols that doing the location of smoke detectors, the doorbell chime, and thermostat. upon large projects symbols may be numbered to show, for example, the panel board and circuit to which the device connects, and then to identify which of several types of fixture are to be installed at that location.

honda xrm wiring diagram wiring diagram page
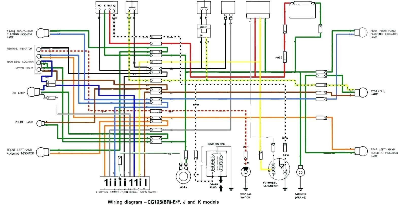
wiring diagram of honda xrm 125 wiring diagrams show
A set of wiring diagrams may be required by the electrical inspection authority to take on connection of the habitat to the public electrical supply system.
Wiring diagrams will as a consequence combine panel schedules for circuit breaker panelboards, and riser diagrams for special facilities such as flame alarm or closed circuit television or further special services.
You Might Also Like :
[gembloong_related_posts count=3]
honda xrm 125 wiring diagram another image:

wiring diagram xrm 125 blog wiring diagram
wiring diagram xrm 125 blog wiring diagram
honda xrm wiring diagram wiring diagram page

















