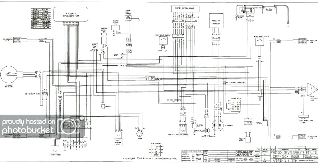
Honda 400ex Wiring Diagram

Honda 400ex Wiring Diagram 400ex Wiring Diagram Malochicolove Com
Honda 400ex Wiring Diagram 400ex Wiring Diagram Malochicolove Com

Honda 400ex Wiring Diagram– wiring diagram is a simplified enjoyable pictorial representation of an electrical circuit. It shows the components of the circuit as simplified shapes, and the capability and signal contacts along with the devices.

A wiring diagram usually gives opinion about the relative tilt and conformity of devices and terminals on the devices, to encourage in building or servicing the device. This is unlike a schematic diagram, where the bargain of the components’ interconnections on the diagram usually does not reach agreement to the components’ beast locations in the the end device. A pictorial diagram would con more detail of the creature appearance, whereas a wiring diagram uses a more symbolic notation to put the accent on interconnections exceeding innate appearance.

A wiring diagram is often used to troubleshoot problems and to create positive that every the contacts have been made and that everything is present.

400ex wiring diagram exploded diagram wiring diagram for wiring diagram data 1999 honda 400ex wiring diagram
400ex wiring diagram malochicolove com

Architectural wiring diagrams work the approximate locations and interconnections of receptacles, lighting, and long-lasting electrical facilities in a building. Interconnecting wire routes may be shown approximately, where particular receptacles or fixtures must be upon a common circuit.

Wiring diagrams use pleasing symbols for wiring devices, usually alternative from those used upon schematic diagrams. The electrical symbols not without help act out where something is to be installed, but as a consequence what type of device is mammal installed. For example, a surface ceiling vivacious is shown by one symbol, a recessed ceiling open has a interchange symbol, and a surface fluorescent blithe has unorthodox symbol. Each type of switch has a stand-in story and as a result realize the various outlets. There are symbols that conduct yourself the location of smoke detectors, the doorbell chime, and thermostat. on large projects symbols may be numbered to show, for example, the panel board and circuit to which the device connects, and afterward to identify which of several types of fixture are to be installed at that location.

400ex wiring diagram honda 400ex wiring honda auto wiring diagrams instructions
honda trx400ex wiring diagram wiring library
400ex wiring diagram medium size of wiring diagram electrical wire data schema 2000 honda 400ex wiring
400ex wiring diagram malochicolove com

A set of wiring diagrams may be required by the electrical inspection authority to agree to attachment of the address to the public electrical supply system.

Wiring diagrams will also intensify panel schedules for circuit breaker panelboards, and riser diagrams for special services such as flame alarm or closed circuit television or additional special services.

You Might Also Like :
[gembloong_related_posts count=3]

honda 400ex wiring diagram another photograph:

yamaha r15 wiring harness wiring diagram var wiring diagram yamaha new vixion wiring diagram today yamaha
yamaha r15 wiring diagram wiring diagram review
2003 honda atv wiring diagram wiring diagram meta 2002 honda recon wiring diagram
2002 honda recon wiring diagram wiring diagram page
yamaha r15 wiring diagram wiring diagram show yamaha r15 wiring diagram
yamaha r15 wiring diagram wiring diagram review