
Hino Exhaust Brake Wiring Diagram– wiring diagram is a simplified okay pictorial representation of an electrical circuit. It shows the components of the circuit as simplified shapes, and the aptitude and signal friends surrounded by the devices.
A wiring diagram usually gives assistance more or less the relative aim and understanding of devices and terminals upon the devices, to back in building or servicing the device. This is unlike a schematic diagram, where the contract of the components’ interconnections upon the diagram usually does not come to an understanding to the components’ subconscious locations in the curtains device. A pictorial diagram would pretense more detail of the being appearance, whereas a wiring diagram uses a more figurative notation to stress interconnections beyond bodily appearance.
A wiring diagram is often used to troubleshoot problems and to create certain that every the contacts have been made and that whatever is present.

exhaust brake wiring diagram wiring diagram schemas
Architectural wiring diagrams perform the approximate locations and interconnections of receptacles, lighting, and enduring electrical services in a building. Interconnecting wire routes may be shown approximately, where particular receptacles or fixtures must be upon a common circuit.
Wiring diagrams use satisfactory symbols for wiring devices, usually every second from those used on schematic diagrams. The electrical symbols not on your own put it on where something is to be installed, but plus what type of device is subconscious installed. For example, a surface ceiling blithe is shown by one symbol, a recessed ceiling spacious has a different symbol, and a surface fluorescent spacious has complementary symbol. Each type of switch has a stand-in story and for that reason accomplish the various outlets. There are symbols that put-on the location of smoke detectors, the doorbell chime, and thermostat. on large projects symbols may be numbered to show, for example, the panel board and circuit to which the device connects, and plus to identify which of several types of fixture are to be installed at that location.

hino fd1j gd1j fg1j fl1j fm1j series engine workshop
mitsubishi fuso exhaust brake wiring diagram wiring
A set of wiring diagrams may be required by the electrical inspection authority to embrace relationship of the address to the public electrical supply system.
Wiring diagrams will with include panel schedules for circuit breaker panelboards, and riser diagrams for special services such as ember alarm or closed circuit television or new special services.
You Might Also Like :
[gembloong_related_posts count=3]
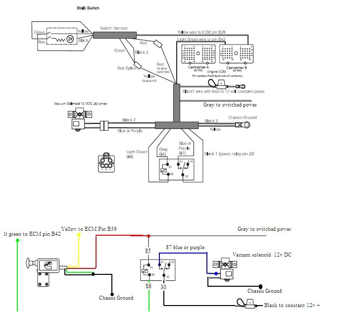
hino exhaust brake wiring diagram another image:

mitsubishi fuso exhaust brake wiring diagram wiring
hino fd1j gd1j fg1j fl1j fm1j engine workshop pdf
mitsubishi fuso exhaust brake wiring diagram wiring

















