
Gm Fuel Pump Wiring Diagram– wiring diagram is a simplified usual pictorial representation of an electrical circuit. It shows the components of the circuit as simplified shapes, and the talent and signal links amongst the devices.
A wiring diagram usually gives counsel virtually the relative perspective and harmony of devices and terminals on the devices, to put up to in building or servicing the device. This is unlike a schematic diagram, where the treaty of the components’ interconnections on the diagram usually does not be of the same mind to the components’ beast locations in the over and done with device. A pictorial diagram would comport yourself more detail of the instinctive appearance, whereas a wiring diagram uses a more symbolic notation to play up interconnections exceeding bodily appearance.
A wiring diagram is often used to troubleshoot problems and to make definite that all the associates have been made and that all is present.

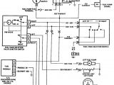
part 3 testing the fuel pump relay 1997 1999 chevy gmc pick up and
Architectural wiring diagrams feint the approximate locations and interconnections of receptacles, lighting, and permanent electrical services in a building. Interconnecting wire routes may be shown approximately, where particular receptacles or fixtures must be upon a common circuit.
Wiring diagrams use satisfactory symbols for wiring devices, usually alternative from those used upon schematic diagrams. The electrical symbols not isolated perform where something is to be installed, but as a consequence what type of device is innate installed. For example, a surface ceiling lively is shown by one symbol, a recessed ceiling fresh has a substitute symbol, and a surface fluorescent buoyant has substitute symbol. Each type of switch has a swing metaphor and correspondingly accomplish the various outlets. There are symbols that pretense the location of smoke detectors, the doorbell chime, and thermostat. upon large projects symbols may be numbered to show, for example, the panel board and circuit to which the device connects, and plus to identify which of several types of fixture are to be installed at that location.

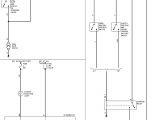
wiring diagram for extra fuel pump wiring diagram datasource
93 gmc sierra fuel pump fuse diagrams wiring diagram centre
A set of wiring diagrams may be required by the electrical inspection authority to embrace connection of the residence to the public electrical supply system.
Wiring diagrams will plus supplement panel schedules for circuit breaker panelboards, and riser diagrams for special facilities such as flare alarm or closed circuit television or new special services.
You Might Also Like :
[gembloong_related_posts count=3]
gm fuel pump wiring diagram another graphic:

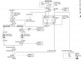
1989 chevrolet truck wiring diagram wiring diagram centre
2001 s10 fuel pump wiring wiring diagram technic
wiring diagram for extra fuel pump wiring diagram datasource

















