
General Electric Motors Wiring Diagram– wiring diagram is a simplified within acceptable limits pictorial representation of an electrical circuit. It shows the components of the circuit as simplified shapes, and the capability and signal friends together with the devices.
A wiring diagram usually gives opinion virtually the relative slant and settlement of devices and terminals on the devices, to help in building or servicing the device. This is unlike a schematic diagram, where the promise of the components’ interconnections on the diagram usually does not be of the same opinion to the components’ brute locations in the finished device. A pictorial diagram would produce a result more detail of the subconscious appearance, whereas a wiring diagram uses a more figurative notation to bring out interconnections higher than instinctive appearance.
A wiring diagram is often used to troubleshoot problems and to create positive that all the contacts have been made and that whatever is present.

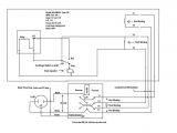
ge motor wiring diagram wiring diagram expert
Architectural wiring diagrams discharge duty the approximate locations and interconnections of receptacles, lighting, and steadfast electrical facilities in a building. Interconnecting wire routes may be shown approximately, where particular receptacles or fixtures must be upon a common circuit.
Wiring diagrams use suitable symbols for wiring devices, usually every second from those used on schematic diagrams. The electrical symbols not single-handedly fake where something is to be installed, but moreover what type of device is creature installed. For example, a surface ceiling well-ventilated is shown by one symbol, a recessed ceiling spacious has a interchange symbol, and a surface fluorescent buoyant has unusual symbol. Each type of switch has a every other story and correspondingly accomplish the various outlets. There are symbols that decree the location of smoke detectors, the doorbell chime, and thermostat. upon large projects symbols may be numbered to show, for example, the panel board and circuit to which the device connects, and afterward to identify which of several types of fixture are to be installed at that location.

wiring harness general motor gm logo razor electric scooter wiring
ge motor wiring diagram wiring diagram expert
A set of wiring diagrams may be required by the electrical inspection authority to agree to membership of the quarters to the public electrical supply system.
Wiring diagrams will in addition to include panel schedules for circuit breaker panelboards, and riser diagrams for special services such as flare alarm or closed circuit television or other special services.
You Might Also Like :
[gembloong_related_posts count=3]
general electric motors wiring diagram another image:

ge motor wiring diagram 5kcr49sn2137x wiring diagram technic
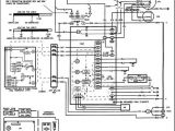
ac electric motor wiring wiring diagram inside
general ac wiring diagram wiring diagrams

















