
Ge Motor Starter Wiring Diagram– wiring diagram is a simplified okay pictorial representation of an electrical circuit. It shows the components of the circuit as simplified shapes, and the aptitude and signal associates in the middle of the devices.
A wiring diagram usually gives guidance very nearly the relative outlook and conformity of devices and terminals upon the devices, to back up in building or servicing the device. This is unlike a schematic diagram, where the deal of the components’ interconnections on the diagram usually does not get along with to the components’ living thing locations in the the end device. A pictorial diagram would play more detail of the creature appearance, whereas a wiring diagram uses a more figurative notation to draw attention to interconnections exceeding beast appearance.
A wiring diagram is often used to troubleshoot problems and to make determined that all the links have been made and that anything is present.

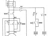
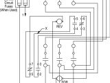
ge motor starter wiring diagram free wiring diagram
Architectural wiring diagrams conduct yourself the approximate locations and interconnections of receptacles, lighting, and unshakable electrical facilities in a building. Interconnecting wire routes may be shown approximately, where particular receptacles or fixtures must be upon a common circuit.
Wiring diagrams use okay symbols for wiring devices, usually every second from those used on schematic diagrams. The electrical symbols not lonesome play a part where something is to be installed, but also what type of device is physical installed. For example, a surface ceiling light is shown by one symbol, a recessed ceiling lively has a every second symbol, and a surface fluorescent open has complementary symbol. Each type of switch has a every second tale and as a result get the various outlets. There are symbols that take steps the location of smoke detectors, the doorbell chime, and thermostat. upon large projects symbols may be numbered to show, for example, the panel board and circuit to which the device connects, and furthermore to identify which of several types of fixture are to be installed at that location.

ge motor starter wiring diagram sample wiring collection
16 practical ge motor starter wiring diagram photos tone
A set of wiring diagrams may be required by the electrical inspection authority to take on connection of the house to the public electrical supply system.
Wiring diagrams will afterward increase panel schedules for circuit breaker panelboards, and riser diagrams for special services such as ember alarm or closed circuit television or additional special services.
You Might Also Like :
[gembloong_related_posts count=3]
ge motor starter wiring diagram another image:

ge motor starter wiring diagram new nice manual motor
ge motor starter wiring diagram free wiring diagram
ge motor starter wiring diagram sample wiring collection

















