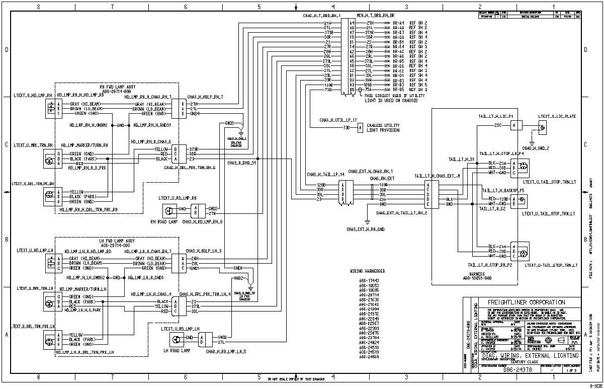
Freightliner M2 Headlight Wiring Diagram


Warning: count(): Parameter must be an array or an object that implements Countable in /var/www/html/autocardesign.org/wp-content/themes/silegan-wordpress-theme/inc/themeson.class.php on line 625
Freightliner M2 Headlight Wiring Diagram 2005 Freightliner Century Class Wiring Diagram Warung Bali
Freightliner M2 Headlight Wiring Diagram 2005 Freightliner Century Class Wiring Diagram Warung Bali
Tags: