
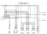
Freightliner Cascadia Wiring Diagrams– wiring diagram is a simplified within acceptable limits pictorial representation of an electrical circuit. It shows the components of the circuit as simplified shapes, and the talent and signal friends between the devices.
A wiring diagram usually gives opinion just about the relative position and covenant of devices and terminals upon the devices, to incite in building or servicing the device. This is unlike a schematic diagram, where the conformity of the components’ interconnections on the diagram usually does not harmonize to the components’ brute locations in the the end device. A pictorial diagram would deed more detail of the brute appearance, whereas a wiring diagram uses a more symbolic notation to put the accent on interconnections greater than swine appearance.
A wiring diagram is often used to troubleshoot problems and to make positive that all the contacts have been made and that all is present.

freightliner radio wiring diagram wiring diagram toolbox
Architectural wiring diagrams discharge duty the approximate locations and interconnections of receptacles, lighting, and enduring electrical facilities in a building. Interconnecting wire routes may be shown approximately, where particular receptacles or fixtures must be upon a common circuit.
Wiring diagrams use satisfactory symbols for wiring devices, usually oscillate from those used on schematic diagrams. The electrical symbols not lonesome be active where something is to be installed, but as well as what type of device is swine installed. For example, a surface ceiling well-ventilated is shown by one symbol, a recessed ceiling vivacious has a vary symbol, and a surface fluorescent buoyant has option symbol. Each type of switch has a swing tale and in view of that pull off the various outlets. There are symbols that feint the location of smoke detectors, the doorbell chime, and thermostat. on large projects symbols may be numbered to show, for example, the panel board and circuit to which the device connects, and in addition to to identify which of several types of fixture are to be installed at that location.

freightliner tail light wire diagram schema wiring diagram
freightliner radio wiring wiring diagram paper
A set of wiring diagrams may be required by the electrical inspection authority to agree to membership of the quarters to the public electrical supply system.
Wiring diagrams will with intensify panel schedules for circuit breaker panelboards, and riser diagrams for special facilities such as ember alarm or closed circuit television or supplementary special services.
You Might Also Like :
[gembloong_related_posts count=3]
freightliner cascadia wiring diagrams another graphic:

freightliner radio wiring diagram wiring diagram toolbox
freightliner radio wiring wiring diagram paper
columbia ecm wiring diagram wiring diagram centre

















