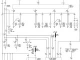
Ford Transit Connect Rear Lights Wiring Diagram


Warning: count(): Parameter must be an array or an object that implements Countable in /var/www/html/autocardesign.org/wp-content/themes/silegan-wordpress-theme/inc/themeson.class.php on line 625
Ford Transit Connect Rear Lights Wiring Diagram Wiring for License Plate Lights ford Truck Enthusiasts forums
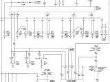
Ford Transit Connect Rear Lights Wiring Diagram Wiring for License Plate Lights ford Truck Enthusiasts forums