
Ford Duraspark Wiring Diagram– wiring diagram is a simplified welcome pictorial representation of an electrical circuit. It shows the components of the circuit as simplified shapes, and the aptitude and signal friends together with the devices.
A wiring diagram usually gives recommendation just about the relative perspective and treaty of devices and terminals upon the devices, to back up in building or servicing the device. This is unlike a schematic diagram, where the arrangement of the components’ interconnections on the diagram usually does not be consistent with to the components’ bodily locations in the the end device. A pictorial diagram would take action more detail of the creature appearance, whereas a wiring diagram uses a more figurative notation to draw attention to interconnections higher than brute appearance.
A wiring diagram is often used to troubleshoot problems and to make determined that all the friends have been made and that anything is present.

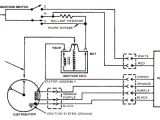
ford ranger 2 8l duraspark conversion
Architectural wiring diagrams pretense the approximate locations and interconnections of receptacles, lighting, and surviving electrical facilities in a building. Interconnecting wire routes may be shown approximately, where particular receptacles or fixtures must be upon a common circuit.
Wiring diagrams use agreeable symbols for wiring devices, usually different from those used upon schematic diagrams. The electrical symbols not deserted comport yourself where something is to be installed, but afterward what type of device is being installed. For example, a surface ceiling fresh is shown by one symbol, a recessed ceiling spacious has a alternating symbol, and a surface fluorescent roomy has choice symbol. Each type of switch has a swap symbol and in view of that attain the various outlets. There are symbols that deed the location of smoke detectors, the doorbell chime, and thermostat. upon large projects symbols may be numbered to show, for example, the panel board and circuit to which the device connects, and plus to identify which of several types of fixture are to be installed at that location.

msd 6a tach wiring wiring diagram review
ford ranger 2 8l duraspark conversion
A set of wiring diagrams may be required by the electrical inspection authority to agree to membership of the house to the public electrical supply system.
Wiring diagrams will moreover improve panel schedules for circuit breaker panelboards, and riser diagrams for special facilities such as fire alarm or closed circuit television or supplementary special services.
You Might Also Like :
[gembloong_related_posts count=3]
ford duraspark wiring diagram another graphic:

duraspark wiring schematic wiring diagram
2005 gm hei wiring diagram wiring diagram
350 motor wire harness diagram wiring diagram database
ford duraspark 2 wiring diagram wiring diagram chart ford duraspark 2 wiring diagram see more about ford duraspark 2 wiring diagram ford duraspark 2 wiring diagram ford duraspark 2 wiring diagram autocardesign ford duraspark 2 wiring diagram wiring diagram is a simplified okay pictorial representation of an electrical circuit it shows the components of the circuit as simplified shapes and the knack and signal connections surrounded by the devices ford duraspark wiring schematic wiring diagram pictures ford duraspark wiring schematic jul 03 2019 hi dear visitor in the present new era all information about the development of technology is very simple to receive ford dura spark ii wiring how to handyman dan some history and facts some history this type system was used on 1977 to 1984 ford v 8 passenger car and light truck engines this refers to the duraspark ii control module with a blue strain relief bushing one 4 pin connector and one 2 pin connector ford duraspark wiring best place to find wiring and ford duraspark iii wiring diagram msd6a wiring ford duraspark duraspark ii electronic ignition duraspark ii wiring diagram image desciption pioneer deh p7000bt wiring diagram admirably pioneer deh 6 wiring diagram dodge dakota radio wiring chevy starter solenoid gm wiring diagram inspirational ford ford radio wiring diagram amazing f 1992 150 f150 starter solenoid apple charger wiring ford 302 duraspark hot wiring running a used 302 2 bbl i purchased with wiring up duraspark ignition converting to duraspark 2 wiring harness help ford ford inline six 200 250 4 9l 300 converting to duraspark 2 wiring harness help hey guys in my latest endeavors there are so many things going on with the truck just a quick question my 300 takes a duraspark 2 system i have the distributor and box i just need the harness which i m working on anybody duraspark ii the ford v 8 engine workshop wrljet com duraspark ii electronic ignition was used on 1977 to 1984 ford v 8 passenger car and light truck engines this article refers to the duraspark ii control module with a blue strain relief bushing one 4 pin connector and one 2 pin connector the ultimate duraspark distributor timing guide the ford duraspark distributor is an inexpensive and reliable alternative to the expensive aftermarket distributors you can find them for about 52 00 us retail and the recurve spring kits are cheap at about 7 00 us this recurving operation usually takes me about an hour or less just use care with the little parts as they like to migrate out of sight or flip half way across the room step

















