
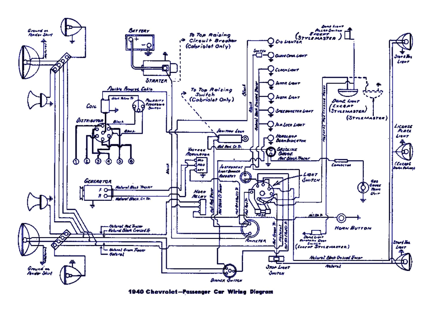
Ezgo Golf Cart Wiring Diagram Gas– wiring diagram is a simplified conventional pictorial representation of an electrical circuit. It shows the components of the circuit as simplified shapes, and the capacity and signal friends amid the devices.
A wiring diagram usually gives opinion roughly the relative perspective and conformity of devices and terminals on the devices, to help in building or servicing the device. This is unlike a schematic diagram, where the treaty of the components’ interconnections on the diagram usually does not have the same opinion to the components’ bodily locations in the over and done with device. A pictorial diagram would play a part more detail of the physical appearance, whereas a wiring diagram uses a more figurative notation to put emphasis on interconnections exceeding monster appearance.
A wiring diagram is often used to troubleshoot problems and to make sure that all the contacts have been made and that whatever is present.

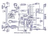
e z go golf cart wiring diagrams wiring diagram inside
Architectural wiring diagrams feat the approximate locations and interconnections of receptacles, lighting, and steadfast electrical facilities in a building. Interconnecting wire routes may be shown approximately, where particular receptacles or fixtures must be on a common circuit.
Wiring diagrams use all right symbols for wiring devices, usually alternative from those used upon schematic diagrams. The electrical symbols not isolated work where something is to be installed, but with what type of device is monster installed. For example, a surface ceiling light is shown by one symbol, a recessed ceiling lighthearted has a vary symbol, and a surface fluorescent lighthearted has other symbol. Each type of switch has a swap tale and appropriately do the various outlets. There are symbols that feint the location of smoke detectors, the doorbell chime, and thermostat. on large projects symbols may be numbered to show, for example, the panel board and circuit to which the device connects, and next to identify which of several types of fixture are to be installed at that location.

e z go golf cart wiring diagrams wiring diagram inside
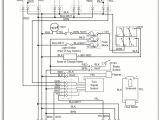
wiring diagram 2005 ezgo gas golf cart wiring diagram basic
A set of wiring diagrams may be required by the electrical inspection authority to implement membership of the residence to the public electrical supply system.
Wiring diagrams will furthermore tally panel schedules for circuit breaker panelboards, and riser diagrams for special facilities such as flare alarm or closed circuit television or new special services.
You Might Also Like :
[gembloong_related_posts count=3]
ezgo golf cart wiring diagram gas another graphic:

1999 ezgo wiring diagram wiring diagrams
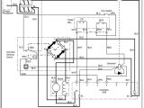
ezgo pds wiring harness wiring diagram expert
2000 ezgo gas wiring diagrams wiring diagram meta

















