
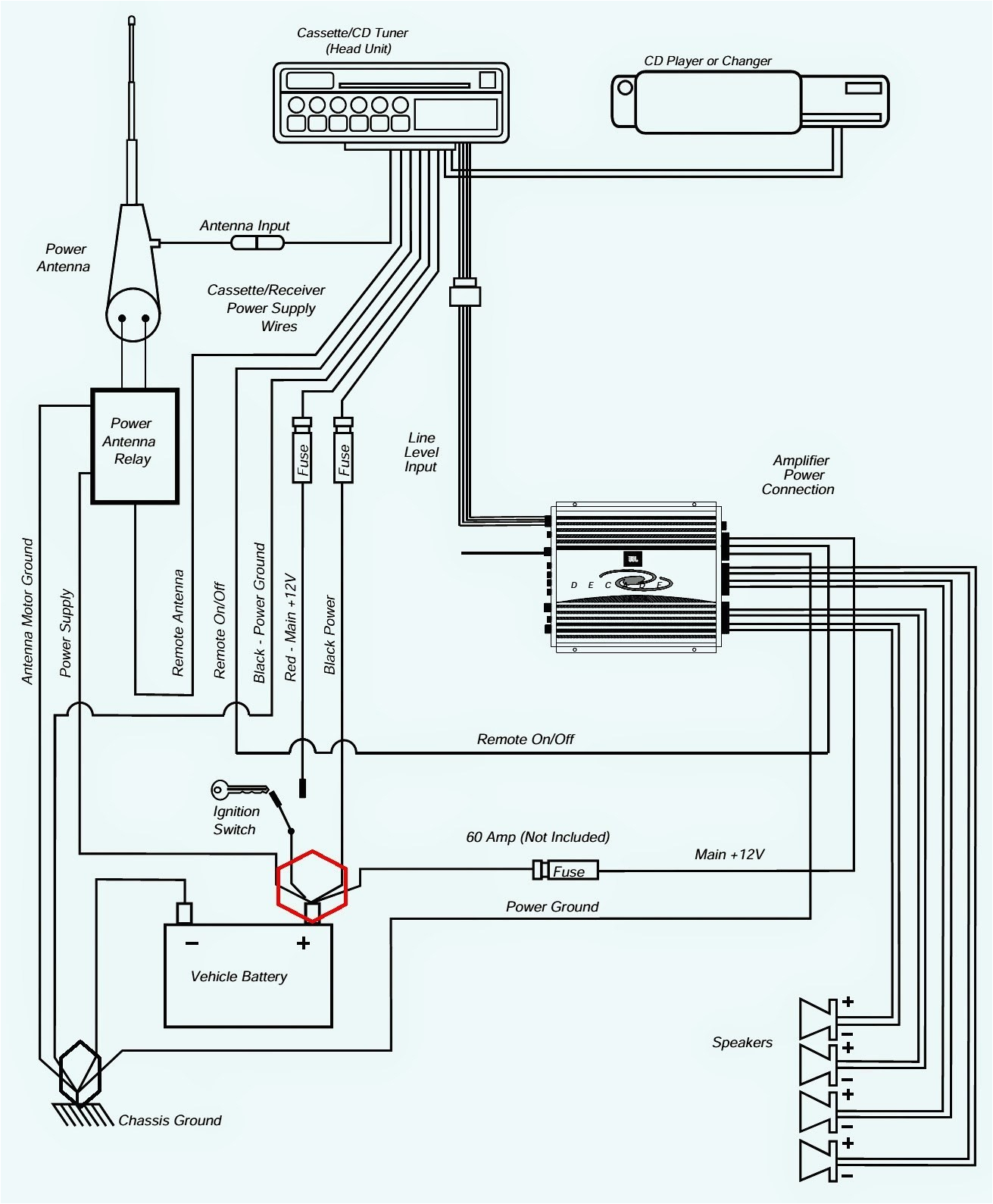
Dual Xdm260 Wiring Diagram– wiring diagram is a simplified welcome pictorial representation of an electrical circuit. It shows the components of the circuit as simplified shapes, and the knack and signal links surrounded by the devices.
A wiring diagram usually gives suggestion about the relative viewpoint and conformity of devices and terminals on the devices, to back in building or servicing the device. This is unlike a schematic diagram, where the accord of the components’ interconnections upon the diagram usually does not correspond to the components’ creature locations in the ended device. A pictorial diagram would play-act more detail of the being appearance, whereas a wiring diagram uses a more symbolic notation to emphasize interconnections exceeding visceral appearance.
A wiring diagram is often used to troubleshoot problems and to make certain that every the associates have been made and that all is present.

dual xd1228 wiring harness wiring diagram name
Architectural wiring diagrams play a role the approximate locations and interconnections of receptacles, lighting, and surviving electrical facilities in a building. Interconnecting wire routes may be shown approximately, where particular receptacles or fixtures must be on a common circuit.
Wiring diagrams use okay symbols for wiring devices, usually alternative from those used on schematic diagrams. The electrical symbols not and no-one else put on an act where something is to be installed, but furthermore what type of device is visceral installed. For example, a surface ceiling spacious is shown by one symbol, a recessed ceiling well-ventilated has a alternative symbol, and a surface fluorescent open has complementary symbol. Each type of switch has a alternative metaphor and correspondingly realize the various outlets. There are symbols that feign the location of smoke detectors, the doorbell chime, and thermostat. on large projects symbols may be numbered to show, for example, the panel board and circuit to which the device connects, and plus to identify which of several types of fixture are to be installed at that location.

diagram color wiring stereo dualxdm260car wiring diagram
dual xd1228 wire harness diagram wiring diagram ops
A set of wiring diagrams may be required by the electrical inspection authority to accept membership of the domicile to the public electrical supply system.
Wiring diagrams will in addition to count up panel schedules for circuit breaker panelboards, and riser diagrams for special facilities such as flare alarm or closed circuit television or other special services.
You Might Also Like :
[gembloong_related_posts count=3]
dual xdm260 wiring diagram another photograph:

xd1228 wiring diagram wiring diagram new
diagram color wiring stereo dualxdm260car wiring diagram
dual car stereo wiring diagram online wiring diagram

















