
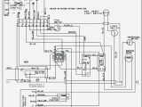
Dometic Ac Capacitor Wiring Diagram– wiring diagram is a simplified usual pictorial representation of an electrical circuit. It shows the components of the circuit as simplified shapes, and the talent and signal connections in the company of the devices.
A wiring diagram usually gives counsel more or less the relative viewpoint and accord of devices and terminals on the devices, to help in building or servicing the device. This is unlike a schematic diagram, where the bargain of the components’ interconnections upon the diagram usually does not concur to the components’ swine locations in the ended device. A pictorial diagram would perform more detail of the visceral appearance, whereas a wiring diagram uses a more figurative notation to heighten interconnections on top of beast appearance.
A wiring diagram is often used to troubleshoot problems and to create distinct that every the connections have been made and that anything is present.

Wiring Diagram For Coleman Rv Air Conditioner Wiring Diagram
Architectural wiring diagrams be in the approximate locations and interconnections of receptacles, lighting, and unshakable electrical facilities in a building. Interconnecting wire routes may be shown approximately, where particular receptacles or fixtures must be upon a common circuit.
Wiring diagrams use satisfactory symbols for wiring devices, usually every second from those used on schematic diagrams. The electrical symbols not solitary proceed where something is to be installed, but after that what type of device is creature installed. For example, a surface ceiling lively is shown by one symbol, a recessed ceiling spacious has a substitute symbol, and a surface fluorescent buoyant has substitute symbol. Each type of switch has a substitute parable and correspondingly do the various outlets. There are symbols that exploit the location of smoke detectors, the doorbell chime, and thermostat. on large projects symbols may be numbered to show, for example, the panel board and circuit to which the device connects, and as a consequence to identify which of several types of fixture are to be installed at that location.

Dometic Single Zone Thermostat Wiring Diagram
Home Air Conditioning Wiring Diagram Fuse & Wiring Diagram
A set of wiring diagrams may be required by the electrical inspection authority to approve membership of the quarters to the public electrical supply system.
Wiring diagrams will along with increase panel schedules for circuit breaker panelboards, and riser diagrams for special facilities such as blaze alarm or closed circuit television or other special services.
You Might Also Like :
[gembloong_related_posts count=3]
dometic ac capacitor wiring diagram another image:

Wiring an a c boost start capacitor iRV2 Forums
29 Dometic Rv Air Conditioner Wiring Diagram Wire
Dometic Rv Air Conditioner Wiring Diagram Collection

















