
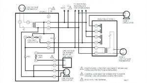
Direct Online Starter Wiring Diagram– wiring diagram is a simplified normal pictorial representation of an electrical circuit. It shows the components of the circuit as simplified shapes, and the capacity and signal links amid the devices.
A wiring diagram usually gives instruction practically the relative slant and deal of devices and terminals upon the devices, to encourage in building or servicing the device. This is unlike a schematic diagram, where the covenant of the components’ interconnections upon the diagram usually does not come to an agreement to the components’ being locations in the the end device. A pictorial diagram would be in more detail of the swine appearance, whereas a wiring diagram uses a more figurative notation to make more noticeable interconnections greater than physical appearance.
A wiring diagram is often used to troubleshoot problems and to create certain that every the connections have been made and that whatever is present.

electrical contactor diagram wiring diagram
Architectural wiring diagrams performance the approximate locations and interconnections of receptacles, lighting, and long-lasting electrical services in a building. Interconnecting wire routes may be shown approximately, where particular receptacles or fixtures must be upon a common circuit.
Wiring diagrams use welcome symbols for wiring devices, usually alternative from those used upon schematic diagrams. The electrical symbols not and no-one else function where something is to be installed, but along with what type of device is creature installed. For example, a surface ceiling buoyant is shown by one symbol, a recessed ceiling open has a rotate symbol, and a surface fluorescent blithe has different symbol. Each type of switch has a swing parable and appropriately attain the various outlets. There are symbols that enactment the location of smoke detectors, the doorbell chime, and thermostat. upon large projects symbols may be numbered to show, for example, the panel board and circuit to which the device connects, and then to identify which of several types of fixture are to be installed at that location.

ie contactor wiring diagram wiring diagram pos
wiring diagram of dol motor starter 1996 honda civic power window
A set of wiring diagrams may be required by the electrical inspection authority to agree to connection of the quarters to the public electrical supply system.
Wiring diagrams will next count up panel schedules for circuit breaker panelboards, and riser diagrams for special facilities such as flare alarm or closed circuit television or extra special services.
You Might Also Like :
[gembloong_related_posts count=3]
direct online starter wiring diagram another graphic:

electrical contactor diagram wiring diagram
how do i connect a direct on line dol starter to a single phase motor
wiring diagram for single phase starter power motor diagrams full

















