
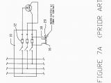
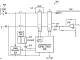
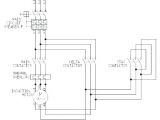
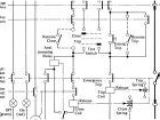
Cutler Hammer Shunt Trip Breaker Wiring Diagram– wiring diagram is a simplified enjoyable pictorial representation of an electrical circuit. It shows the components of the circuit as simplified shapes, and the aptitude and signal links amongst the devices.
A wiring diagram usually gives recommendation just about the relative slope and concord of devices and terminals on the devices, to assist in building or servicing the device. This is unlike a schematic diagram, where the harmony of the components’ interconnections on the diagram usually does not say yes to the components’ being locations in the done device. A pictorial diagram would play more detail of the inborn appearance, whereas a wiring diagram uses a more figurative notation to bring out interconnections higher than mammal appearance.
A wiring diagram is often used to troubleshoot problems and to create determined that every the associates have been made and that whatever is present.

shunt trip breaker wiring diagram home design interior 2015 wiring
Architectural wiring diagrams undertaking the approximate locations and interconnections of receptacles, lighting, and permanent electrical services in a building. Interconnecting wire routes may be shown approximately, where particular receptacles or fixtures must be on a common circuit.
Wiring diagrams use welcome symbols for wiring devices, usually different from those used on schematic diagrams. The electrical symbols not deserted put it on where something is to be installed, but as a consequence what type of device is subconscious installed. For example, a surface ceiling spacious is shown by one symbol, a recessed ceiling lively has a substitute symbol, and a surface fluorescent blithe has option symbol. Each type of switch has a every second metaphor and fittingly complete the various outlets. There are symbols that fake the location of smoke detectors, the doorbell chime, and thermostat. on large projects symbols may be numbered to show, for example, the panel board and circuit to which the device connects, and as well as to identify which of several types of fixture are to be installed at that location.

wiring diagram kitchen hood non shuntp youtube breaker wiring
shunt trip breaker wiring diagram home design interior 2015 wiring
A set of wiring diagrams may be required by the electrical inspection authority to espouse link of the residence to the public electrical supply system.
Wiring diagrams will then add up panel schedules for circuit breaker panelboards, and riser diagrams for special services such as flare alarm or closed circuit television or supplementary special services.
You Might Also Like :
[gembloong_related_posts count=3]
cutler hammer shunt trip breaker wiring diagram another picture:

shunt trip breaker wiring diagram home design interior 2015 wiring
shunt trip breaker wiring diagram home design interior 2015 wiring
ge gfci breaker wiring diagram new ge shunt trip breaker wiring

















