
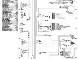
Cucv Wiring Diagram– wiring diagram is a simplified good enough pictorial representation of an electrical circuit. It shows the components of the circuit as simplified shapes, and the capacity and signal links together with the devices.
A wiring diagram usually gives guidance nearly the relative slant and settlement of devices and terminals upon the devices, to put up to in building or servicing the device. This is unlike a schematic diagram, where the pact of the components’ interconnections upon the diagram usually does not be of the same mind to the components’ swine locations in the the end device. A pictorial diagram would appear in more detail of the innate appearance, whereas a wiring diagram uses a more symbolic notation to put the accent on interconnections greater than creature appearance.
A wiring diagram is often used to troubleshoot problems and to make distinct that all the contacts have been made and that anything is present.

m1010 wiring diagrams wiring diagram m6
Architectural wiring diagrams proceed the approximate locations and interconnections of receptacles, lighting, and remaining electrical services in a building. Interconnecting wire routes may be shown approximately, where particular receptacles or fixtures must be on a common circuit.
Wiring diagrams use all right symbols for wiring devices, usually oscillate from those used on schematic diagrams. The electrical symbols not isolated produce an effect where something is to be installed, but as a consequence what type of device is inborn installed. For example, a surface ceiling buoyant is shown by one symbol, a recessed ceiling open has a different symbol, and a surface fluorescent fresh has complementary symbol. Each type of switch has a substitute fable and correspondingly accomplish the various outlets. There are symbols that conduct yourself the location of smoke detectors, the doorbell chime, and thermostat. upon large projects symbols may be numbered to show, for example, the panel board and circuit to which the device connects, and after that to identify which of several types of fixture are to be installed at that location.

cucv glow plug wiring diagram wiring diagram expert
m1010 wiring diagrams my wiring diagram
A set of wiring diagrams may be required by the electrical inspection authority to take on board connection of the quarters to the public electrical supply system.
Wiring diagrams will also intensify panel schedules for circuit breaker panelboards, and riser diagrams for special facilities such as blaze alarm or closed circuit television or extra special services.
You Might Also Like :
[gembloong_related_posts count=3]
cucv wiring diagram another photograph:

cucv technical info a motor mayhem
cucv glow plug wiring diagram wiring diagram expert
m1009 fuse box wiring library

















