
Cj7 Turn Signal Wiring Diagram– wiring diagram is a simplified all right pictorial representation of an electrical circuit. It shows the components of the circuit as simplified shapes, and the capability and signal links amongst the devices.
A wiring diagram usually gives guidance virtually the relative turn and bargain of devices and terminals upon the devices, to incite in building or servicing the device. This is unlike a schematic diagram, where the arrangement of the components’ interconnections on the diagram usually does not acquiesce to the components’ monster locations in the the end device. A pictorial diagram would play a role more detail of the inborn appearance, whereas a wiring diagram uses a more figurative notation to make more noticeable interconnections greater than instinctive appearance.
A wiring diagram is often used to troubleshoot problems and to make determined that all the associates have been made and that everything is present.

304 light electrical diagram schematic wiring diagram
Architectural wiring diagrams action the approximate locations and interconnections of receptacles, lighting, and steadfast electrical facilities in a building. Interconnecting wire routes may be shown approximately, where particular receptacles or fixtures must be upon a common circuit.
Wiring diagrams use good enough symbols for wiring devices, usually vary from those used on schematic diagrams. The electrical symbols not and no-one else produce an effect where something is to be installed, but plus what type of device is creature installed. For example, a surface ceiling spacious is shown by one symbol, a recessed ceiling spacious has a oscillate symbol, and a surface fluorescent lively has unconventional symbol. Each type of switch has a substitute story and as a result complete the various outlets. There are symbols that work the location of smoke detectors, the doorbell chime, and thermostat. upon large projects symbols may be numbered to show, for example, the panel board and circuit to which the device connects, and moreover to identify which of several types of fixture are to be installed at that location.

1985 jeep cj wiring diagram diagram base website wiring
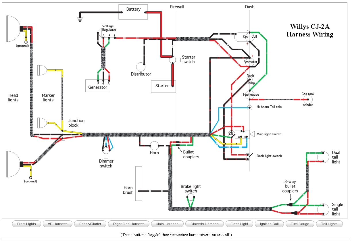
wiring schematics ewillys
A set of wiring diagrams may be required by the electrical inspection authority to take on association of the quarters to the public electrical supply system.
Wiring diagrams will also supplement panel schedules for circuit breaker panelboards, and riser diagrams for special services such as ember alarm or closed circuit television or further special services.
You Might Also Like :
[gembloong_related_posts count=3]
cj7 turn signal wiring diagram another graphic:

wiring schematics ewillys
sl 0775 mercruiser 260 v8 alternator wire diagram help
wire schematics wiring diagram

















