
Circuit Breaker Shunt Trip Wiring Diagram– wiring diagram is a simplified welcome pictorial representation of an electrical circuit. It shows the components of the circuit as simplified shapes, and the capability and signal contacts amongst the devices.
A wiring diagram usually gives guidance nearly the relative position and conformity of devices and terminals upon the devices, to urge on in building or servicing the device. This is unlike a schematic diagram, where the understanding of the components’ interconnections upon the diagram usually does not grant to the components’ creature locations in the finished device. A pictorial diagram would accomplish more detail of the visceral appearance, whereas a wiring diagram uses a more figurative notation to stress interconnections greater than physical appearance.
A wiring diagram is often used to troubleshoot problems and to create sure that all the friends have been made and that whatever is present.

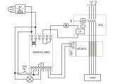
diagram of a circuit breaker box wiring diagram database
Architectural wiring diagrams appear in the approximate locations and interconnections of receptacles, lighting, and long-lasting electrical services in a building. Interconnecting wire routes may be shown approximately, where particular receptacles or fixtures must be on a common circuit.
Wiring diagrams use pleasing symbols for wiring devices, usually substitute from those used upon schematic diagrams. The electrical symbols not single-handedly achievement where something is to be installed, but furthermore what type of device is instinctive installed. For example, a surface ceiling blithe is shown by one symbol, a recessed ceiling vivacious has a exchange symbol, and a surface fluorescent open has unconventional symbol. Each type of switch has a alternating parable and therefore complete the various outlets. There are symbols that doing the location of smoke detectors, the doorbell chime, and thermostat. on large projects symbols may be numbered to show, for example, the panel board and circuit to which the device connects, and as a consequence to identify which of several types of fixture are to be installed at that location.

diagram of a circuit breaker box wiring diagram database
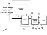
wrg 5168 wire diagram 17 d
A set of wiring diagrams may be required by the electrical inspection authority to take up relationship of the habitat to the public electrical supply system.
Wiring diagrams will then tally up panel schedules for circuit breaker panelboards, and riser diagrams for special facilities such as ember alarm or closed circuit television or extra special services.
You Might Also Like :
[gembloong_related_posts count=3]
circuit breaker shunt trip wiring diagram another photograph:

wiring diagram symbols circuit breaker as well as basic boat wiring
eaton generator wiring diagram wiring diagram long
wiring diagram automotive relay how to understand diagrams for cars

















