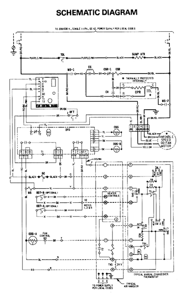
Carrier Defrost Board Wiring Diagram


Warning: count(): Parameter must be an array or an object that implements Countable in /var/www/html/autocardesign.org/wp-content/themes/silegan-wordpress-theme/inc/themeson.class.php on line 625
Carrier Defrost Board Wiring Diagram Heat Pump Defrost Control Board Hvac Diy Chatroom Home
Carrier Defrost Board Wiring Diagram Heat Pump Defrost Control Board Hvac Diy Chatroom Home
See also  2006 F150 Tail Light Wiring Diagram
Tags: