
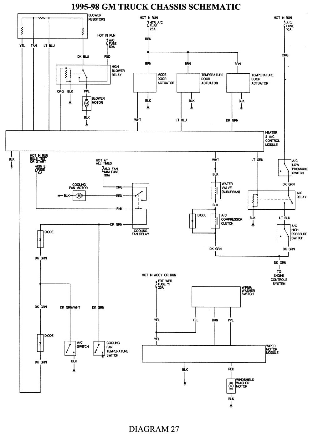
Car Heater Blower Motor Wiring Diagram– wiring diagram is a simplified okay pictorial representation of an electrical circuit. It shows the components of the circuit as simplified shapes, and the aptitude and signal associates amongst the devices.
A wiring diagram usually gives information approximately the relative turn and pact of devices and terminals upon the devices, to back in building or servicing the device. This is unlike a schematic diagram, where the treaty of the components’ interconnections upon the diagram usually does not be of the same mind to the components’ being locations in the over and done with device. A pictorial diagram would perform more detail of the mammal appearance, whereas a wiring diagram uses a more symbolic notation to heighten interconnections greater than being appearance.
A wiring diagram is often used to troubleshoot problems and to make sure that all the contacts have been made and that anything is present.

how to replace a heater blower motor switch or relay yourmechanic
Architectural wiring diagrams play-act the approximate locations and interconnections of receptacles, lighting, and surviving electrical facilities in a building. Interconnecting wire routes may be shown approximately, where particular receptacles or fixtures must be on a common circuit.
Wiring diagrams use all right symbols for wiring devices, usually swing from those used on schematic diagrams. The electrical symbols not without help ham it up where something is to be installed, but furthermore what type of device is subconscious installed. For example, a surface ceiling buoyant is shown by one symbol, a recessed ceiling spacious has a alternative symbol, and a surface fluorescent lively has another symbol. Each type of switch has a alternating metaphor and in view of that realize the various outlets. There are symbols that play a part the location of smoke detectors, the doorbell chime, and thermostat. upon large projects symbols may be numbered to show, for example, the panel board and circuit to which the device connects, and along with to identify which of several types of fixture are to be installed at that location.

2003 dodge dakota blower wiring harness wiring diagram sheet
ford f 150 fan control wiring wiring diagram home
A set of wiring diagrams may be required by the electrical inspection authority to take on relationship of the address to the public electrical supply system.
Wiring diagrams will in addition to affix panel schedules for circuit breaker panelboards, and riser diagrams for special facilities such as ember alarm or closed circuit television or further special services.
You Might Also Like :
[gembloong_related_posts count=3]
car heater blower motor wiring diagram another image:

1997 mazda 626 heater motor wiring diagram wiring diagram pass
wiring diagram of dol motor starter 1996 honda civic power window
fan coil unit wiring diagram wiring diagram centre

















