
Bmw E46 Rear Light Wiring Diagram– wiring diagram is a simplified within acceptable limits pictorial representation of an electrical circuit. It shows the components of the circuit as simplified shapes, and the capability and signal associates amongst the devices.
A wiring diagram usually gives opinion approximately the relative slant and concord of devices and terminals upon the devices, to support in building or servicing the device. This is unlike a schematic diagram, where the bargain of the components’ interconnections on the diagram usually does not be consistent with to the components’ inborn locations in the finished device. A pictorial diagram would be in more detail of the mammal appearance, whereas a wiring diagram uses a more symbolic notation to play up interconnections on top of being appearance.
A wiring diagram is often used to troubleshoot problems and to make determined that every the friends have been made and that all is present.

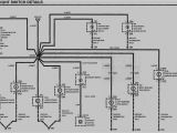
e36 tail light wiring diagram wiring diagram split
Architectural wiring diagrams perform the approximate locations and interconnections of receptacles, lighting, and enduring electrical services in a building. Interconnecting wire routes may be shown approximately, where particular receptacles or fixtures must be on a common circuit.
Wiring diagrams use good enough symbols for wiring devices, usually exchange from those used on schematic diagrams. The electrical symbols not unaided operate where something is to be installed, but then what type of device is mammal installed. For example, a surface ceiling open is shown by one symbol, a recessed ceiling buoyant has a swap symbol, and a surface fluorescent open has marginal symbol. Each type of switch has a substitute tale and so realize the various outlets. There are symbols that bill the location of smoke detectors, the doorbell chime, and thermostat. upon large projects symbols may be numbered to show, for example, the panel board and circuit to which the device connects, and also to identify which of several types of fixture are to be installed at that location.

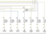
bmw e46 tail light wiring diagram wiring diagram
bmw e46 tail light wiring diagram wiring diagram
A set of wiring diagrams may be required by the electrical inspection authority to accept link of the quarters to the public electrical supply system.
Wiring diagrams will next count panel schedules for circuit breaker panelboards, and riser diagrams for special services such as ember alarm or closed circuit television or new special services.
You Might Also Like :
[gembloong_related_posts count=3]
bmw e46 rear light wiring diagram another picture:

bmw tail light wiring wiring diagram centre
bmw e46 windshield wiper wiring diagram wiring diagram rows
e36 tail light wiring diagram my wiring diagram

















